EasyManua.ls Logo

Kohler 17.5CCFOZ - Page 78

Kohler 17.5CCFOZ
109 pages
Print Icon
To Next Page IconTo Next Page
To Next Page IconTo Next Page
To Previous Page IconTo Previous Page
To Previous Page IconTo Previous Page
Loading...
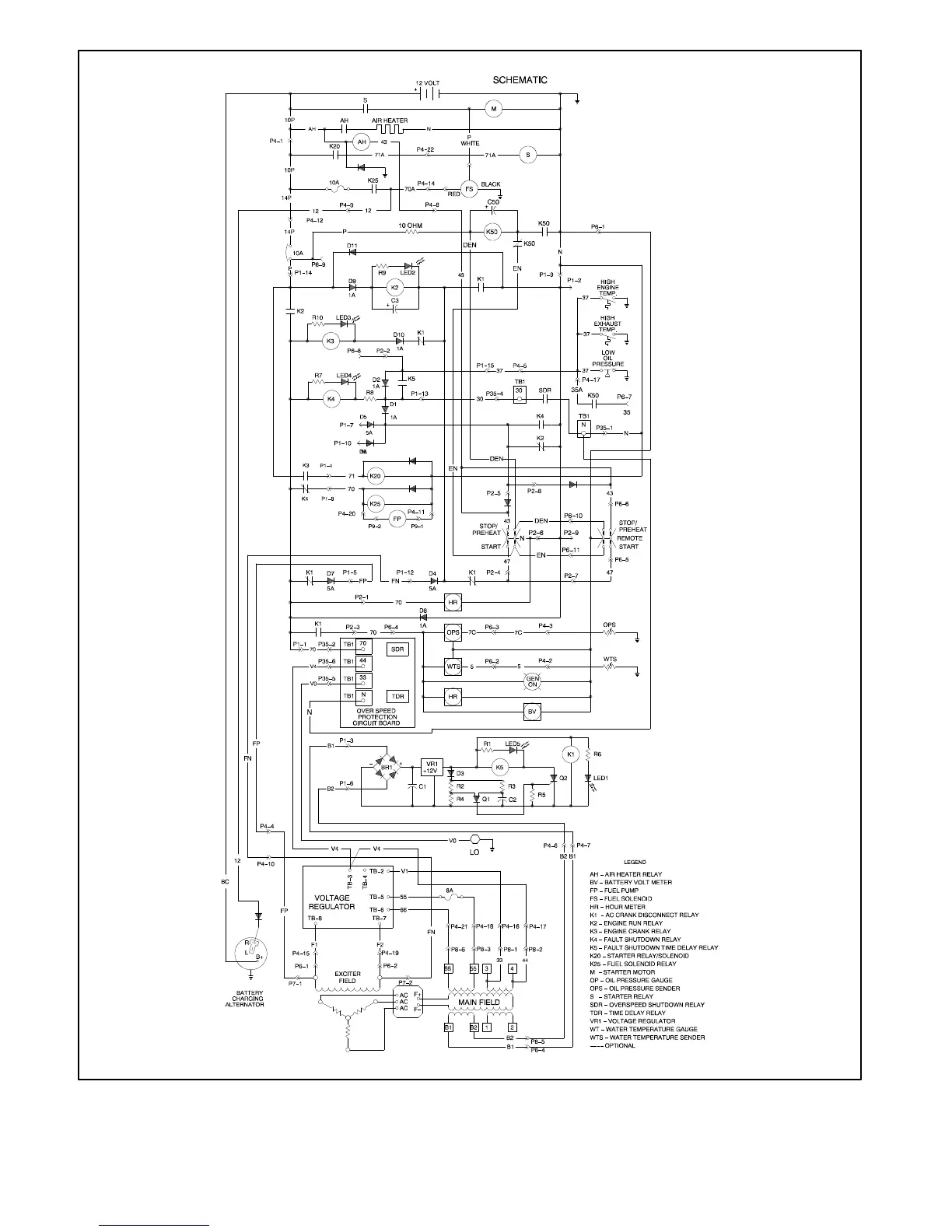
TP-5592 7/965-12 Wiring Diagrams
229991-B
Figure 5-11. Schematic Wiring Diagram13.5/18.5/21CCOZ
(Specs: PA-126148, PA-126152, and PA-126155 1-Phase Models)

Table of Contents

Related product manuals