EasyManua.ls Logo

Kohler 20RESA - Page 146

Kohler 20RESA
172 pages
To Next Page IconTo Next Page
To Next Page IconTo Next Page
To Previous Page IconTo Previous Page
To Previous Page IconTo Previous Page
Loading...
TP-6805 8/15
146
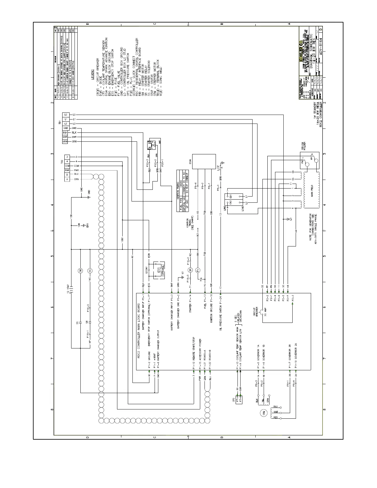
Section 8 Diagrams and Drawings
-
Figure 8-2 Schematic Diagram, ADV-8164-D

Table of Contents

Other manuals for Kohler 20RESA

Related product manuals