EasyManua.ls Logo

Kohler 20RESD - Page 147

Kohler 20RESD
172 pages
Print Icon
To Next Page IconTo Next Page
To Next Page IconTo Next Page
To Previous Page IconTo Previous Page
To Previous Page IconTo Previous Page
Loading...
TP-6805 8/15
147
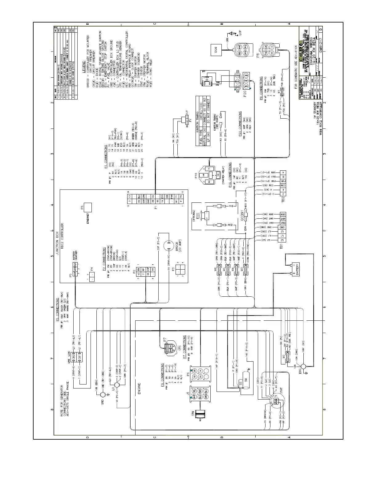
Section 8 Diagrams and Drawings
-
Figure 8-3 Point-to-Point Wiring Diagram, GM81217-D

Table of Contents

Other manuals for Kohler 20RESD

Related product manuals