EasyManua.ls Logo

Kohler 20RESD - 14;20 RESA;RESAL and 20 RESB with Revised Controller

Kohler 20RESD
172 pages
Print Icon
To Next Page IconTo Next Page
To Next Page IconTo Next Page
To Previous Page IconTo Previous Page
To Previous Page IconTo Previous Page
Loading...
TP-6805 8/15
150
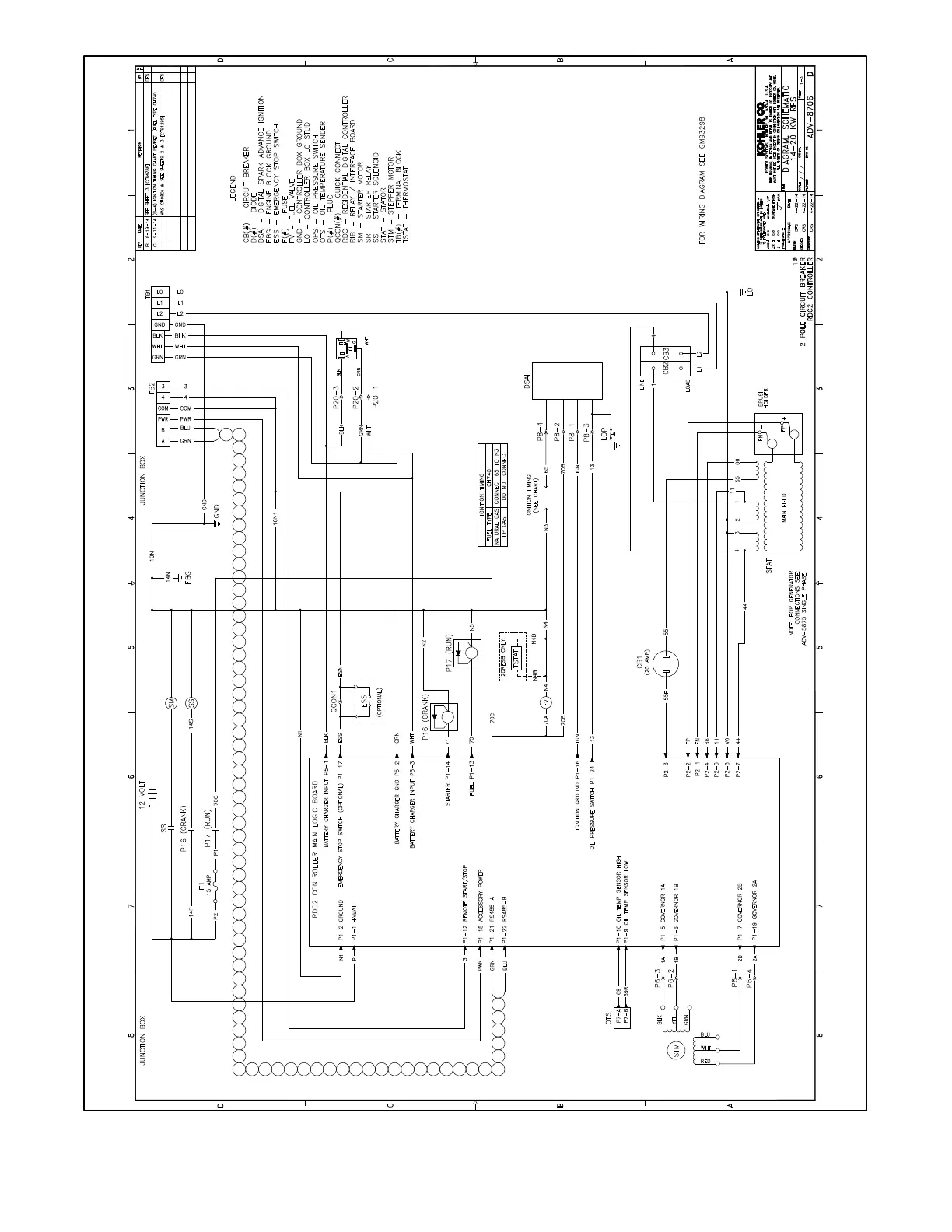
Section 8 Diagrams and Drawings
-
Figure 8-6 Schematic Diagram, 14/20RESA/RESAL, ADV-8706, Sheet 1 of 3

Table of Contents

Other manuals for Kohler 20RESD

Related product manuals