EasyManua.ls Logo

Kohler 23EKOZD - Page 298

Kohler 23EKOZD
360 pages
Print Icon
To Next Page IconTo Next Page
To Next Page IconTo Next Page
To Previous Page IconTo Previous Page
To Previous Page IconTo Previous Page
Loading...
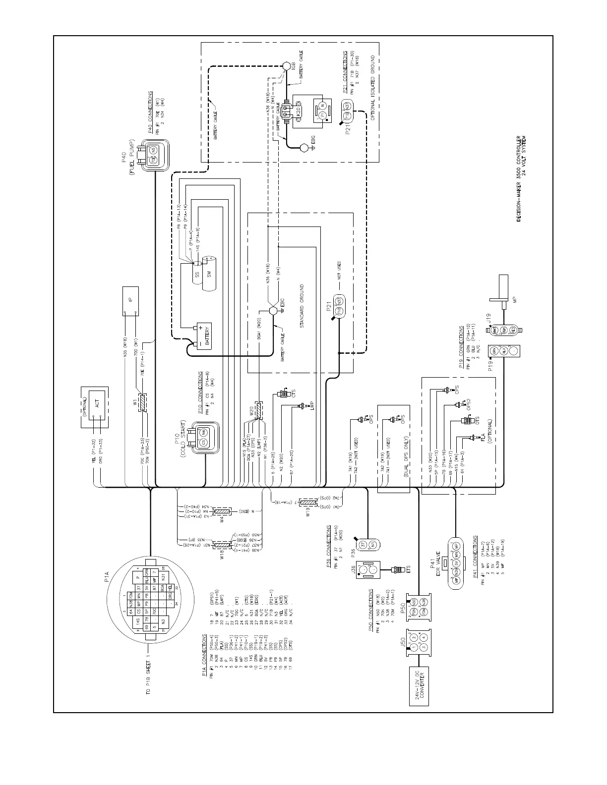
TP-6953 7/19298 Section 17 Wiring Diagrams
GM99447B-D
Figure 17-10 Wiring Diagram, Point-to-Point (Sheet 2 of 2) for 20- 24EKOZD 24-Volt Models

Other manuals for Kohler 23EKOZD

Related product manuals