EasyManua.ls Logo

Kohler 23EKOZD - Page 307

Kohler 23EKOZD
360 pages
To Next Page IconTo Next Page
To Next Page IconTo Next Page
To Previous Page IconTo Previous Page
To Previous Page IconTo Previous Page
Loading...
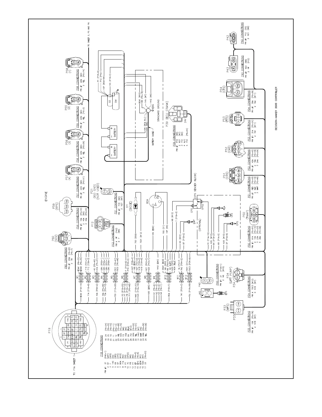
TP-6953 7/19 307Section 17 Wiring Diagrams
GM101903B-D
Figure 17-19 Wiring Diagram, Point-to-Point (Sheet 2 of 3) for 32EKOZD/28EFKOZD 24-V olt, Standard Ground Models

Other manuals for Kohler 23EKOZD

Related product manuals