EasyManua.ls Logo

Kohler 23EKOZD - Page 309

Kohler 23EKOZD
360 pages
To Next Page IconTo Next Page
To Next Page IconTo Next Page
To Previous Page IconTo Previous Page
To Previous Page IconTo Previous Page
Loading...
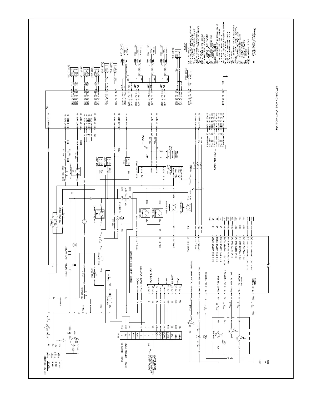
TP-6953 7/19 309Section 17 Wiring Diagrams
ADV8941A-B
Figure 17-21 Wiring Diagram, Schematic (Sheet 1 of 2) for 32EKOZD/28EFKOZD 24-V olt, Standard Ground Models

Other manuals for Kohler 23EKOZD

Related product manuals