EasyManua.ls Logo

Kohler 23EKOZD - Page 324

Kohler 23EKOZD
360 pages
To Next Page IconTo Next Page
To Next Page IconTo Next Page
To Previous Page IconTo Previous Page
To Previous Page IconTo Previous Page
Loading...
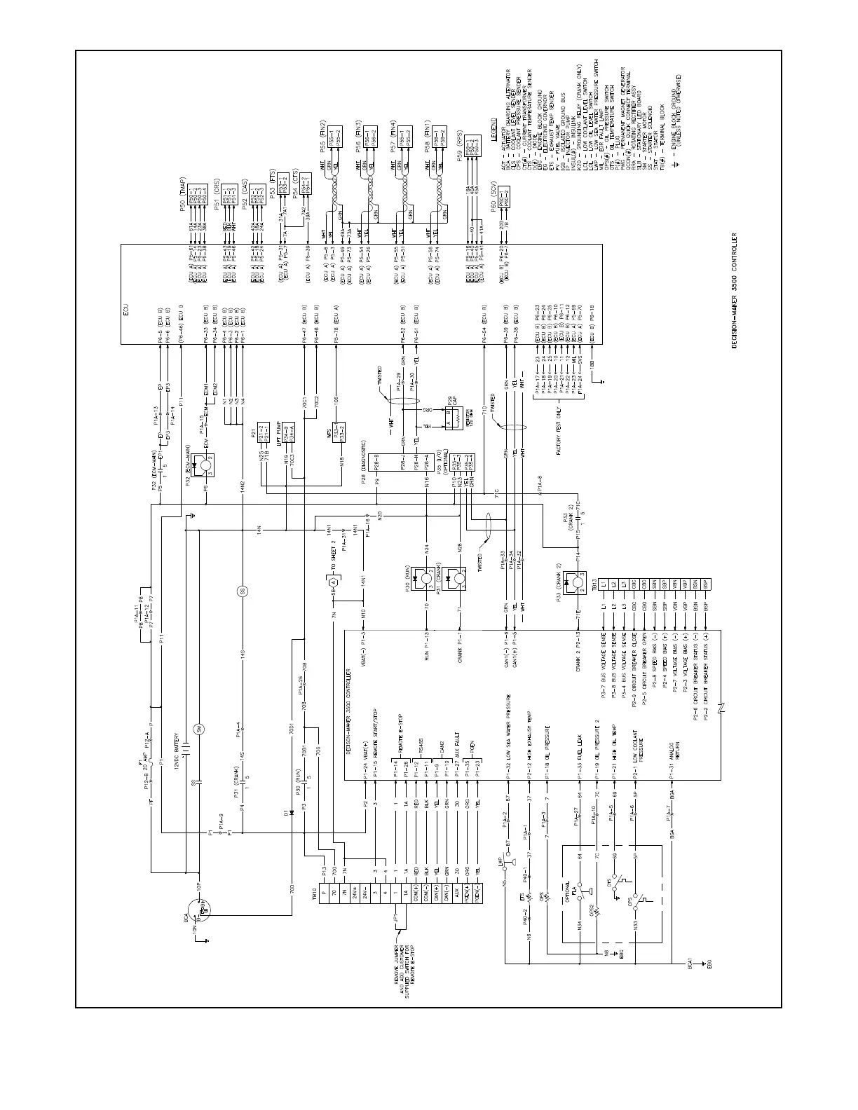
TP-6953 7/19324 Section 17 Wiring Diagrams
ADV8960A-C
Figure 17-36 Wiring Diagram, Schematic (Sheet 1 of 2) for 40EKOZD/35EFKOZD 12-Volt, Standard Ground Models

Other manuals for Kohler 23EKOZD

Related product manuals