EasyManua.ls Logo

Kohler 23EKOZD - Page 327

Kohler 23EKOZD
360 pages
To Next Page IconTo Next Page
To Next Page IconTo Next Page
To Previous Page IconTo Previous Page
To Previous Page IconTo Previous Page
Loading...
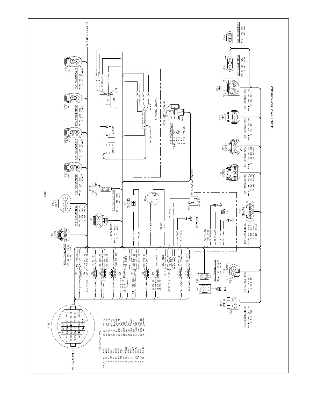
TP-6953 7/19 327Section 17 Wiring Diagrams
GM102542B-D
Figure 17-39 Wiring Diagram, Point-to-Point (Sheet 2 of 3) for 40EKOZD/35EFKOZD 24-V olt, Standard Ground Models

Other manuals for Kohler 23EKOZD

Related product manuals