EasyManua.ls Logo

Kohler 24RCL - Page 116

Kohler 24RCL
128 pages
To Next Page IconTo Next Page
To Next Page IconTo Next Page
To Previous Page IconTo Previous Page
To Previous Page IconTo Previous Page
Loading...
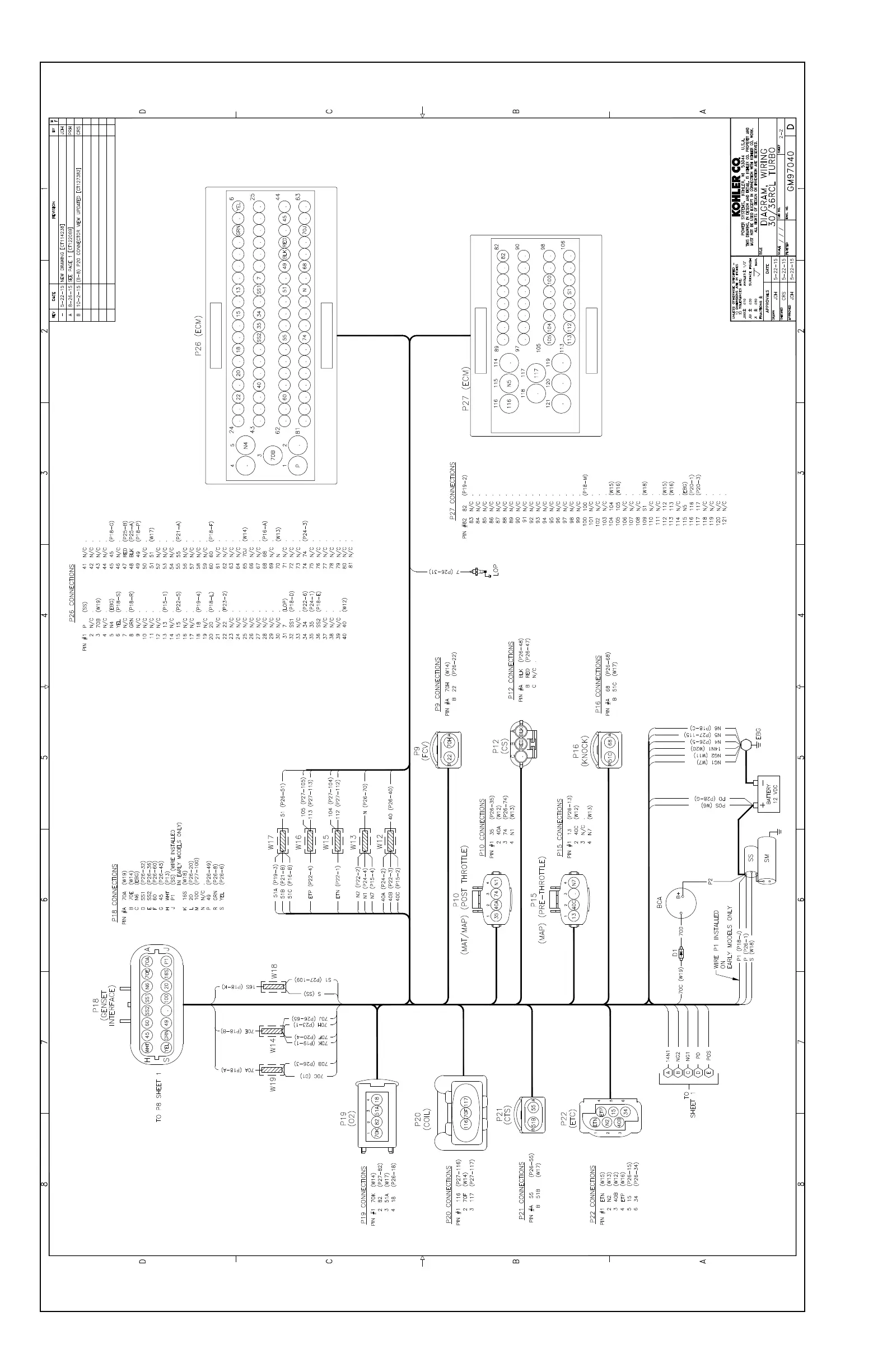
TP-69075/16116 Section 8 Diagrams and Drawings
Figure 8-13 Wiring Diagram, 30RCL/38RCLB Generator Set, GM97040, Sheet 2 of 2

Table of Contents

Other manuals for Kohler 24RCL

Related product manuals