EasyManua.ls Logo

Kohler 4EFOZ

Kohler 4EFOZ
92 pages
To Next Page IconTo Next Page
To Next Page IconTo Next Page
To Previous Page IconTo Previous Page
To Previous Page IconTo Previous Page
Loading...
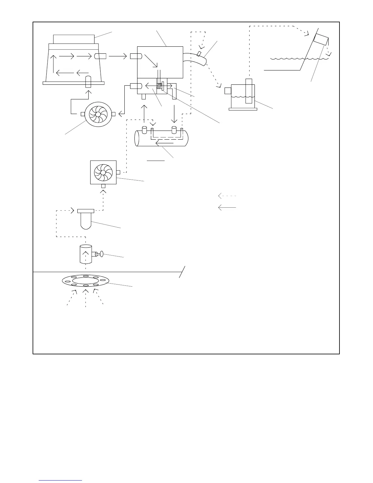
TP-6069 6/03 7Section 3 Cooling System
Seawater
Freshwater (Coolant/Antifreeze)
13
12
11
10
9
7
6
8
3
2
5
4
1
14
Arrow Description
Direction of Flow
TP-5586-6
1. Engine block
2. Exhaust manifold
3. Exhaust mixer elbow
4. Outlet flapper (exhaust/water discharge)
5. Silencer (customer supplied)
6. Thermostat open
7. Thermostat
8. Thermostat closed
9. Heat exchanger
10. Engine-driven seawater pump
11. Seawater strainer
12. Seacock
13. Intake strainer
14. Engine-driven water pump
Figure 3-6 Typical Closed/Heat Exchanger Cooling System (4/6.5/8.5/9/23/27EFOZ and 5/8/10/28/32EOZ
Models)

Other manuals for Kohler 4EFOZ

Related product manuals