EasyManua.ls Logo

Kohler 5E

Kohler 5E
48 pages
To Next Page IconTo Next Page
To Next Page IconTo Next Page
To Previous Page IconTo Previous Page
To Previous Page IconTo Previous Page
Loading...
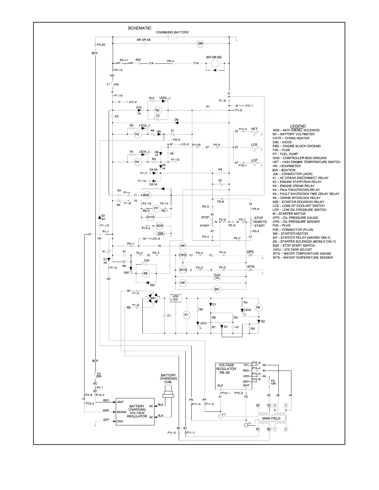
TP-5985 10/0228 Section 5 Wiring Diagrams
359343-F
Figure 5-1 Schematic Wiring Diagram

Other manuals for Kohler 5E

Related product manuals