EasyManua.ls Logo

Kohler 5E - Schematic Wiring Diagram

Kohler 5E
72 pages
Print Icon
To Next Page IconTo Next Page
To Next Page IconTo Next Page
To Previous Page IconTo Previous Page
To Previous Page IconTo Previous Page
Loading...
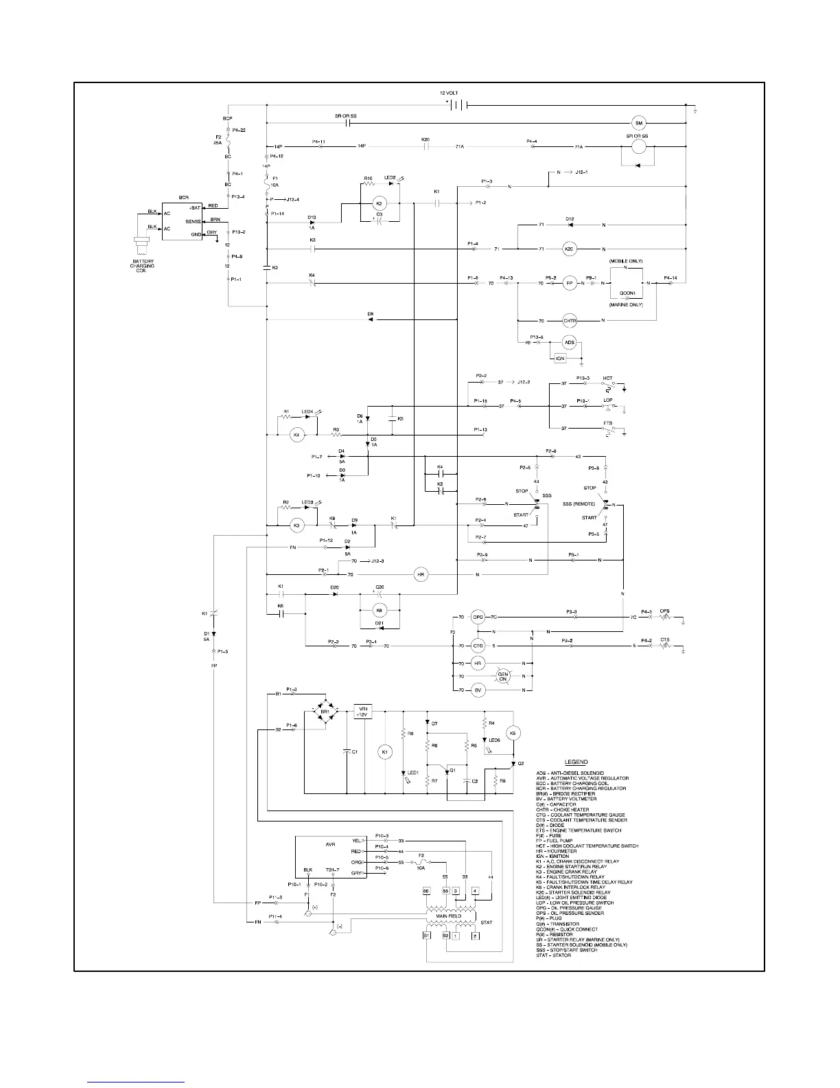
TP-5986 4/0342 Section 10 Wiring Diagrams and Voltage Reconnection
10.1 Schematic Wiring Diagram
359343-J

Table of Contents

Other manuals for Kohler 5E

Related product manuals