EasyManua.ls Logo

Kohler 5EOZ

Kohler 5EOZ
60 pages
To Next Page IconTo Next Page
To Next Page IconTo Next Page
To Previous Page IconTo Previous Page
To Previous Page IconTo Previous Page
Loading...
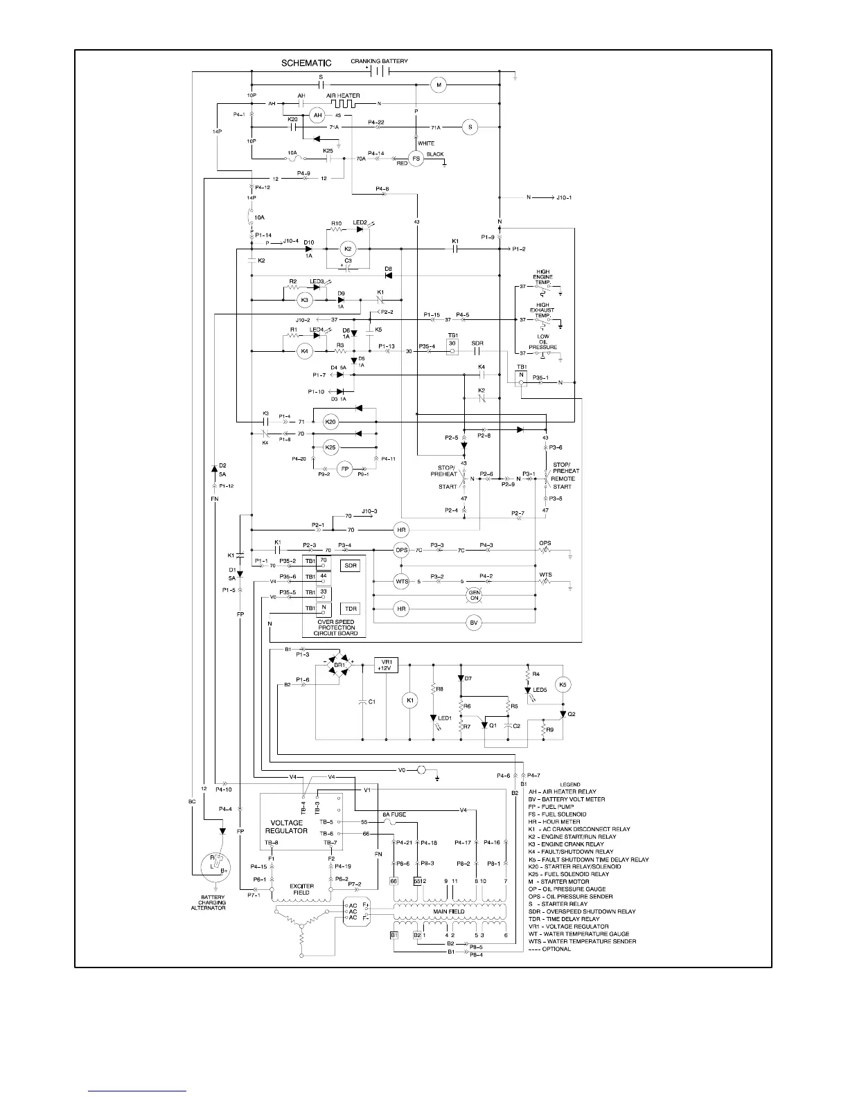
TP-6068 10/0236 Section 5 Wiring Diagrams
229938-B
Figure 5-7 Schematic Wiring Diagram—11.5/17.5/20/23/27EFOZ and 14/20/24/28/32EOZ
(3-Phase Models)

Other manuals for Kohler 5EOZ

Related product manuals