EasyManua.ls Logo

Kohler 6.5-27EFOZD - Page 53

Kohler 6.5-27EFOZD
60 pages
Print Icon
To Next Page IconTo Next Page
To Next Page IconTo Next Page
To Previous Page IconTo Previous Page
To Previous Page IconTo Previous Page
Loading...
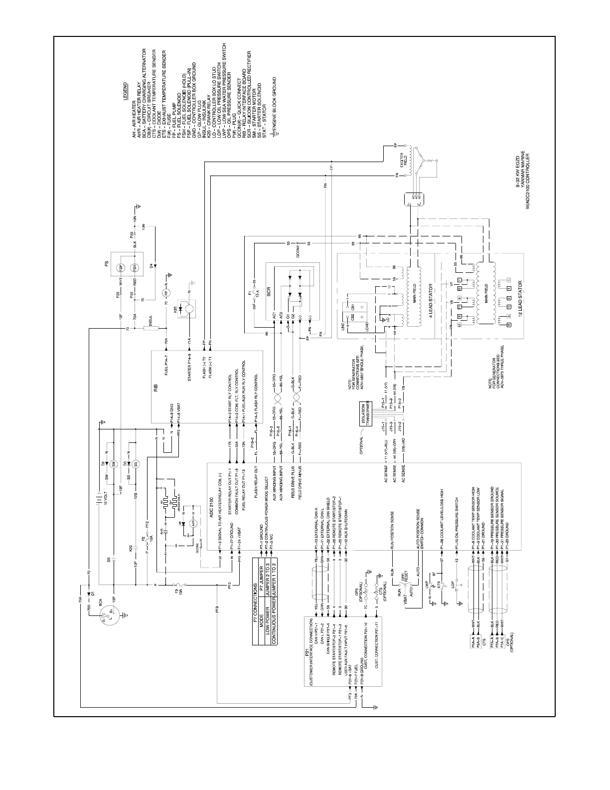
TP-6252 2/08 53Section 5 Wiring Diagrams
ADV7283A-A
Figure 5-7 Schematic for Models 8--32EOZD/6.5--27EFOZD (Sheet 1 of 2)

Table of Contents

Other manuals for Kohler 6.5-27EFOZD

Related product manuals