EasyManua.ls Logo

Kohler 6.5EFOZ - 10.3 Wiring Diagram, Schematic

Kohler 6.5EFOZ
80 pages
Print Icon
To Next Page IconTo Next Page
To Next Page IconTo Next Page
To Previous Page IconTo Previous Page
To Previous Page IconTo Previous Page
Loading...
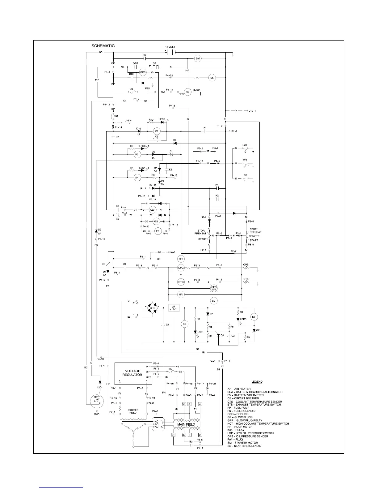
TP-6053 7/0454 Section 10 Voltage Reconnection and Wiring Diagrams
10.3 Wiring Diagram, Schematic
229294-N

Table of Contents

Other manuals for Kohler 6.5EFOZ

Related product manuals