EasyManua.ls Logo

Kohler 8RESV

Kohler 8RESV
48 pages
To Next Page IconTo Next Page
To Next Page IconTo Next Page
To Previous Page IconTo Previous Page
To Previous Page IconTo Previous Page
Loading...
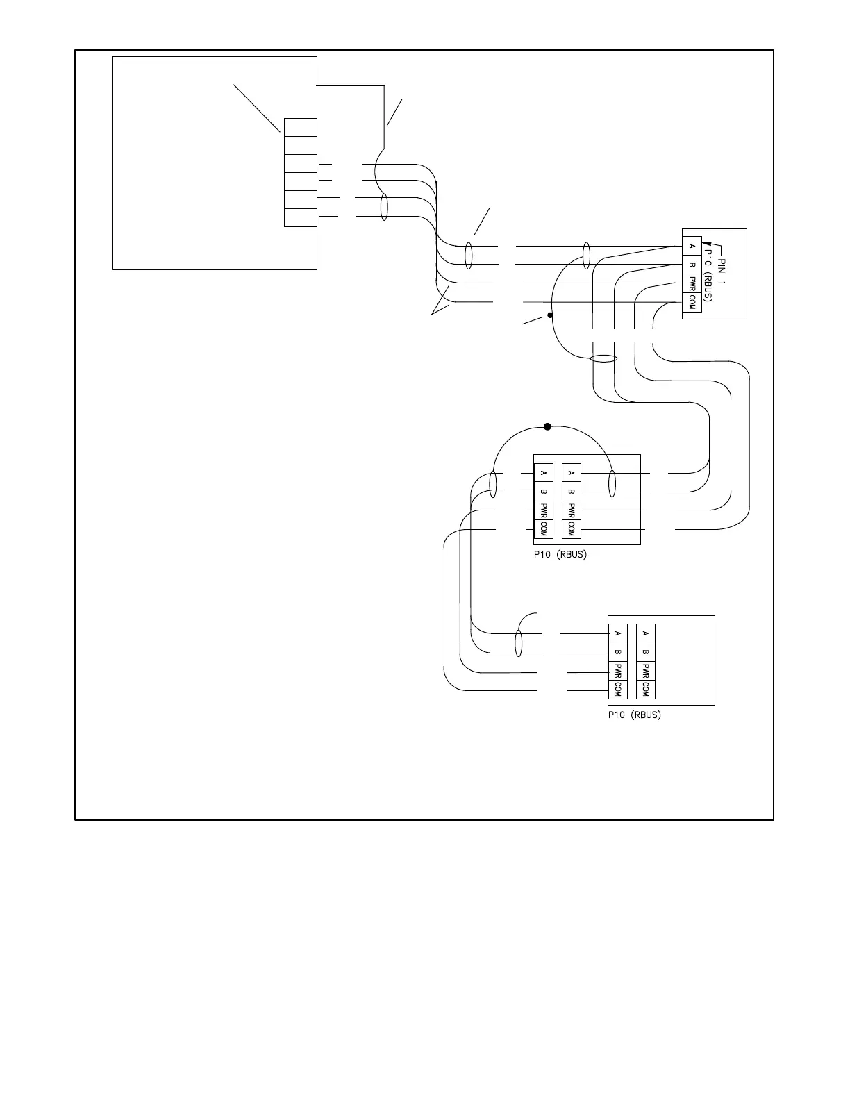
TP-6984 5/17a26 Section 1 Installation
Generator Set
GND
A
B
COM
PWR
3
4
RBUS
12 VDC
TB3
RXT*
COM
COM
PWR
COM
PWR
PWR
B
A
B
A
B
A
COM
PWR
B
A
COM
PWR
B
A
4
2
1
3
5
Load Shed Kit
PIM
COMA PWRB
1. Generator set terminal block. See Figure 3-5 for location. Check the decal on the generator set for terminal block connections.
2. Connect one end of each cable shield to GROUND at the generator set.
3. Communication cable Belden #8762 or equivalent 20 AWG shielded, twisted-pair cable (one pair).
4. Connect shields together as shown.
5. Leave one end of each cable shield disconnected at the last device.
6. 12 AWG or 14 AWG leads for P WR and COM.
Note: See Section 1.10.2, Cable Specifications for
maximum cable lengths.
* RXT transfer switch with standard or combined interface/load
management board. Do not use a load shed kit with a
combined interface board.
6
Figure 1-24 Accessory Module Communication Connection Details

Other manuals for Kohler 8RESV

Related product manuals