EasyManua.ls Logo

Kohler 8RESV

Kohler 8RESV
48 pages
To Next Page IconTo Next Page
To Next Page IconTo Next Page
To Previous Page IconTo Previous Page
To Previous Page IconTo Previous Page
Loading...
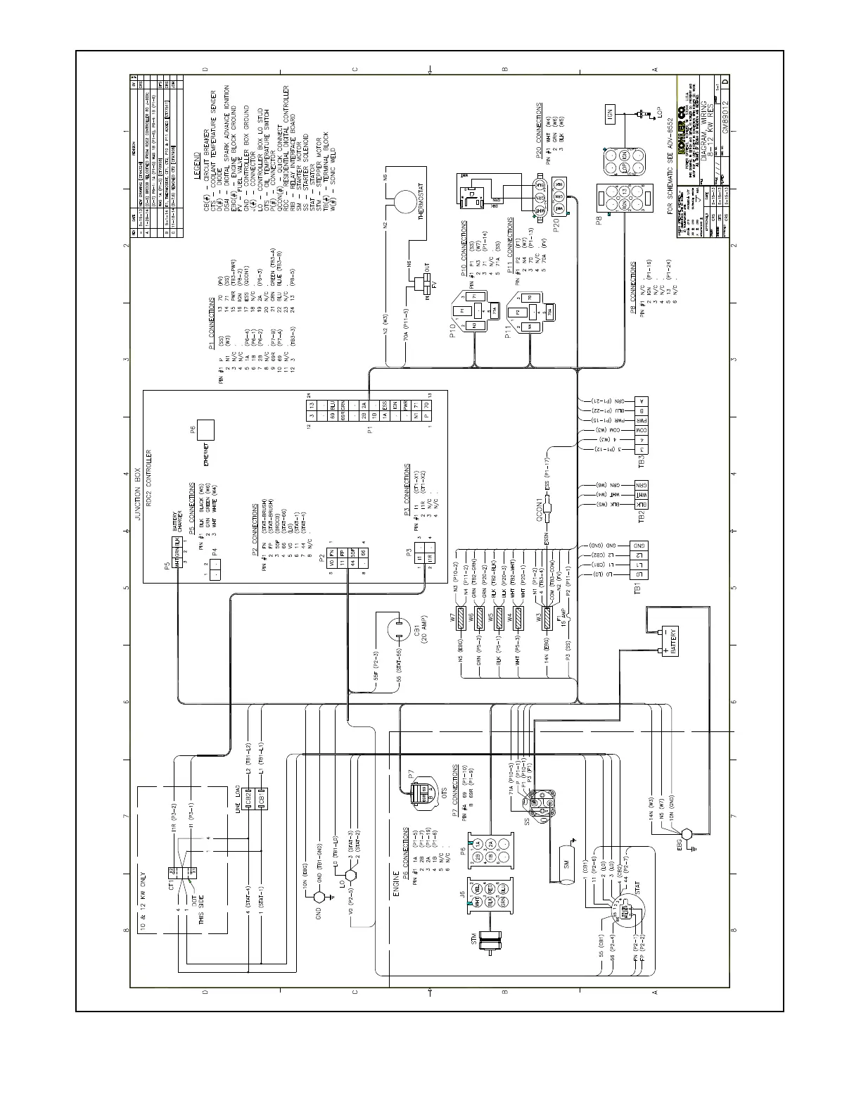
TP-6984 5/17a42 Section 3 Drawings and Diagrams
Figure 3-7 Point-to-Point Wiring Diagram, GM89012

Other manuals for Kohler 8RESV

Related product manuals