EasyManua.ls Logo

Kohler CH18 - Page 48

Kohler CH18
124 pages
Print Icon
To Next Page IconTo Next Page
To Next Page IconTo Next Page
To Previous Page IconTo Previous Page
To Previous Page IconTo Previous Page
Loading...
Governor System
48 24 690 06 Rev. PKohlerEngines.com
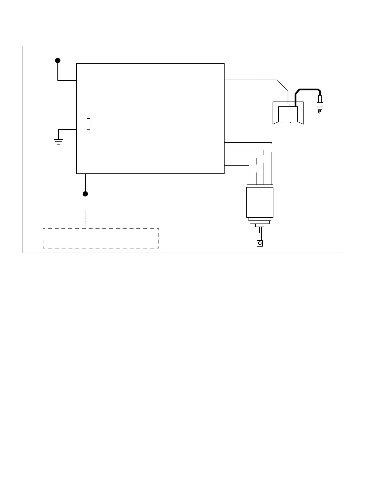
SECOND DESIGN GCU Basic Electrical Diagram of Electronic Governor System
B+
10
8
12
13
14
1
2
6
7
1B
1A
2A
2B
Power
Device
Ground
Kill Tab (Speed Signal)
Green LED Light
Yellow LED Light
Ignition Module
Application Supplied
Speed Control Input
Operation Input Voltage:
0-1 Volts at Idle/9+ Volts at High Speed.
DLA Driver
Controls
DLA
Speed Signal
GCU

Related product manuals