EasyManua.ls Logo

Kohler Comand Pro CH1000 - Page 10

Kohler Comand Pro CH1000
142 pages
Print Icon
To Next Page IconTo Next Page
To Next Page IconTo Next Page
To Previous Page IconTo Previous Page
To Previous Page IconTo Previous Page
Loading...
1.6
Section 1
Safety and General Information
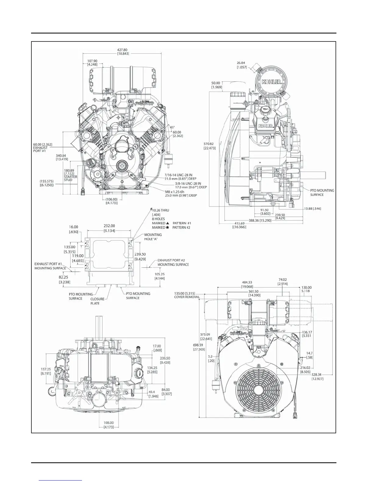
Figure 1-4. Typical CH PRO Series Engine Dimensions with Heavy-Duty Air Cleaner.
Dimensions in millimeters.
Inch equivalents shown in [ ].

Related product manuals