EasyManua.ls Logo

Kohler KT745 - Page 10

Kohler KT745
96 pages
Print Icon
To Next Page IconTo Next Page
To Next Page IconTo Next Page
To Previous Page IconTo Previous Page
To Previous Page IconTo Previous Page
Loading...
10
Speci cations
KohlerEngines.com 32 690 03 Rev. I
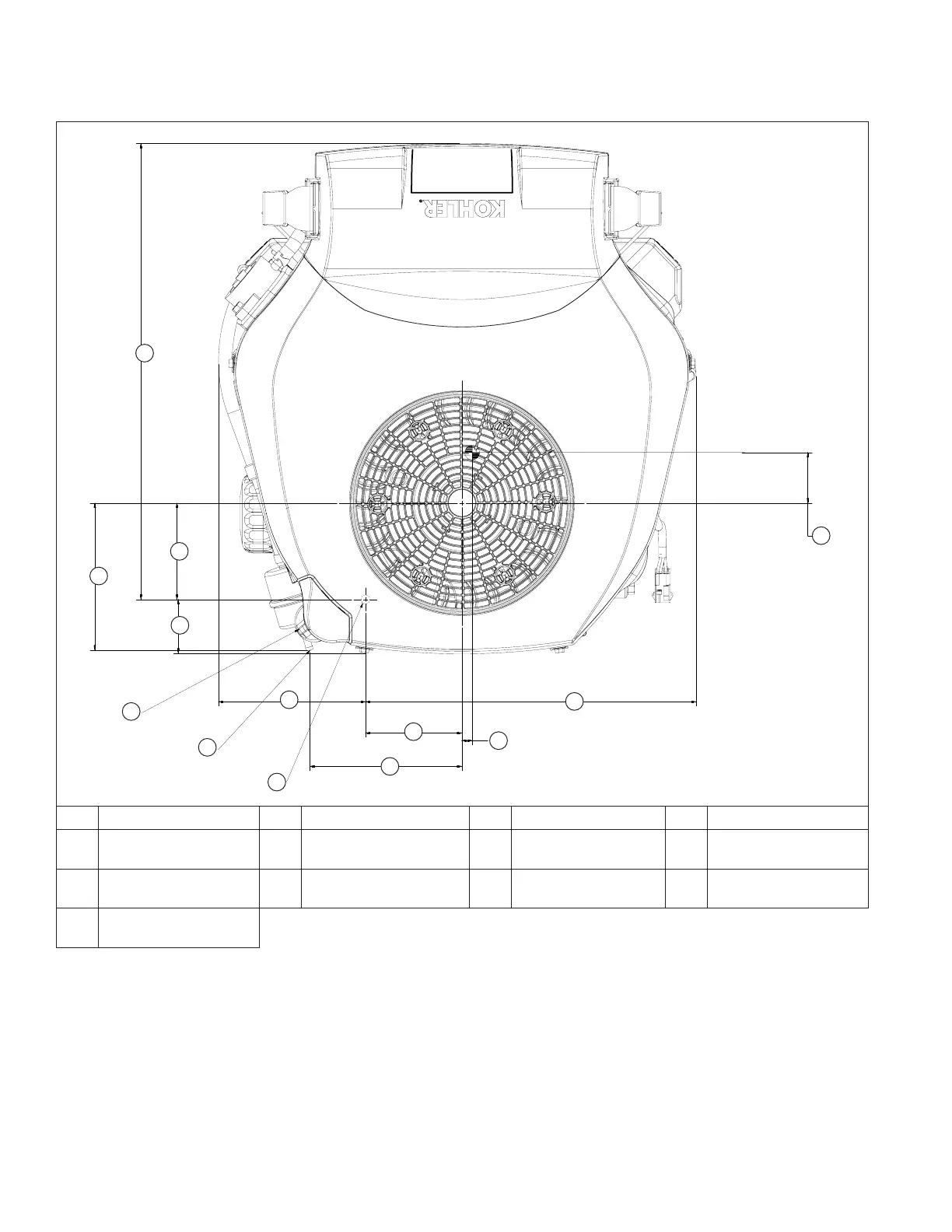
Engine Dimensions with PRO Performance Air Cleaner-Flywheel Side
F
E
G
H
I
K
A
B
D
C
J
L
M
A 424.7 mm (16.72 in.) B 136.7 mm (5.38 in.) C 89.6 mm (3.53 in.) D 50.1 mm (1.97 in.)
E
Oil Fill and Dipstick
(Yellow)
F
Fuel Line Connection
Point
G 136.9 mm (5.39 in.) H Mounting Hole "A"
I 141.5 mm (5.57 in.) J 89.7 mm (3.53 in.) K
9.7 mm (0.38 in.)
Center of Gravity
L 307.9 mm (12.12 in.)
M
47.0 mm (1.85 in.)
Center of Gravity

Other manuals for Kohler KT745

Related product manuals