EasyManua.ls Logo

Kohler PRO 5.2

Kohler PRO 5.2
20 pages
To Next Page IconTo Next Page
To Next Page IconTo Next Page
To Previous Page IconTo Previous Page
To Previous Page IconTo Previous Page
Loading...
1137 690 01 Rev. -- KohlerPower.com
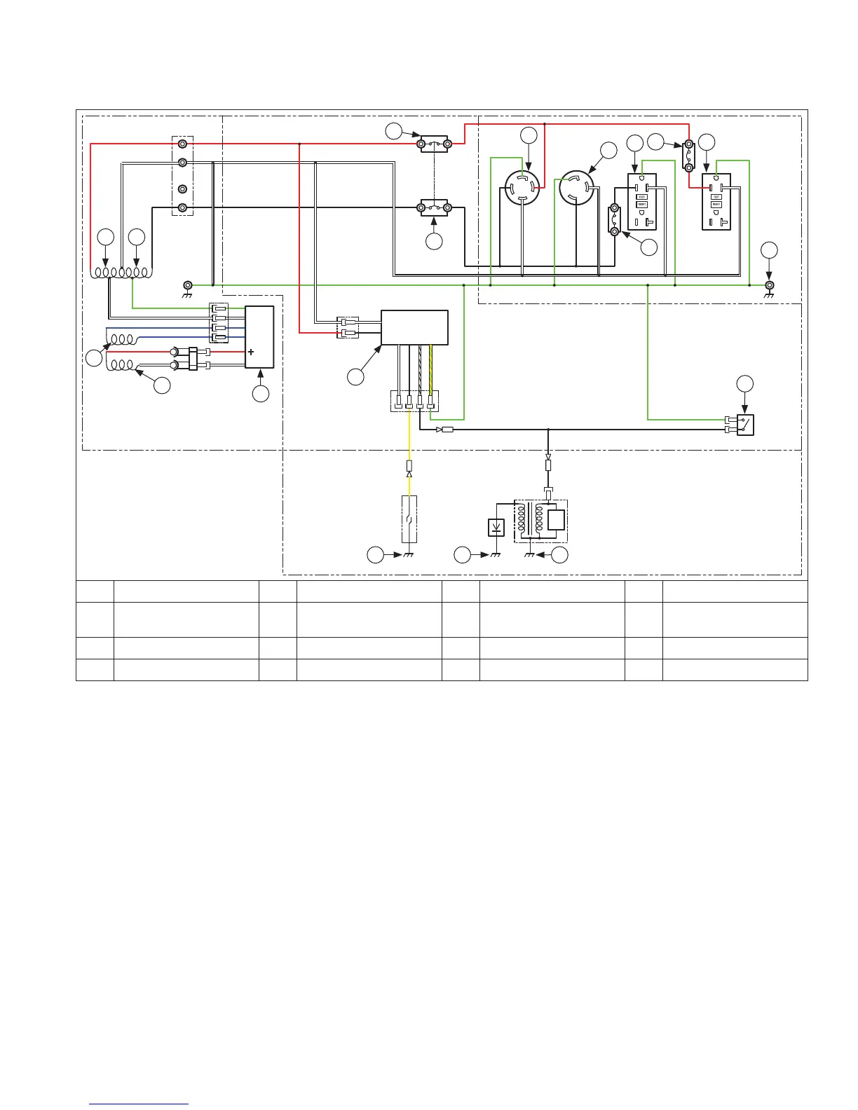
Electrical System
PRO 7.5 Wiring Diagram
N O
E
I
C
F
G
H
E
M
H
J
K
BA
P
L
D
I
A Main Winding 1 B Main Winding 2 C Exciter Field Coil D Sub Coil
E Circuit Breaker F
240/120V/30A
Electrical Socket
G
120V/30A
Electrical Socket
H GFCI Receptacle
I Circuit Protector 20A J Ground Terminal K Engine Switch L Maintenance Minder
M AVR N Oil Sentry
O Spark Plug P Ignition Coil

Other manuals for Kohler PRO 5.2

Related product manuals