EasyManua.ls Logo

Kohler PRO 5.2

Kohler PRO 5.2
20 pages
To Next Page IconTo Next Page
To Next Page IconTo Next Page
To Previous Page IconTo Previous Page
To Previous Page IconTo Previous Page
Loading...
Electrical System
12
37 690 01 Rev. --KohlerPower.com
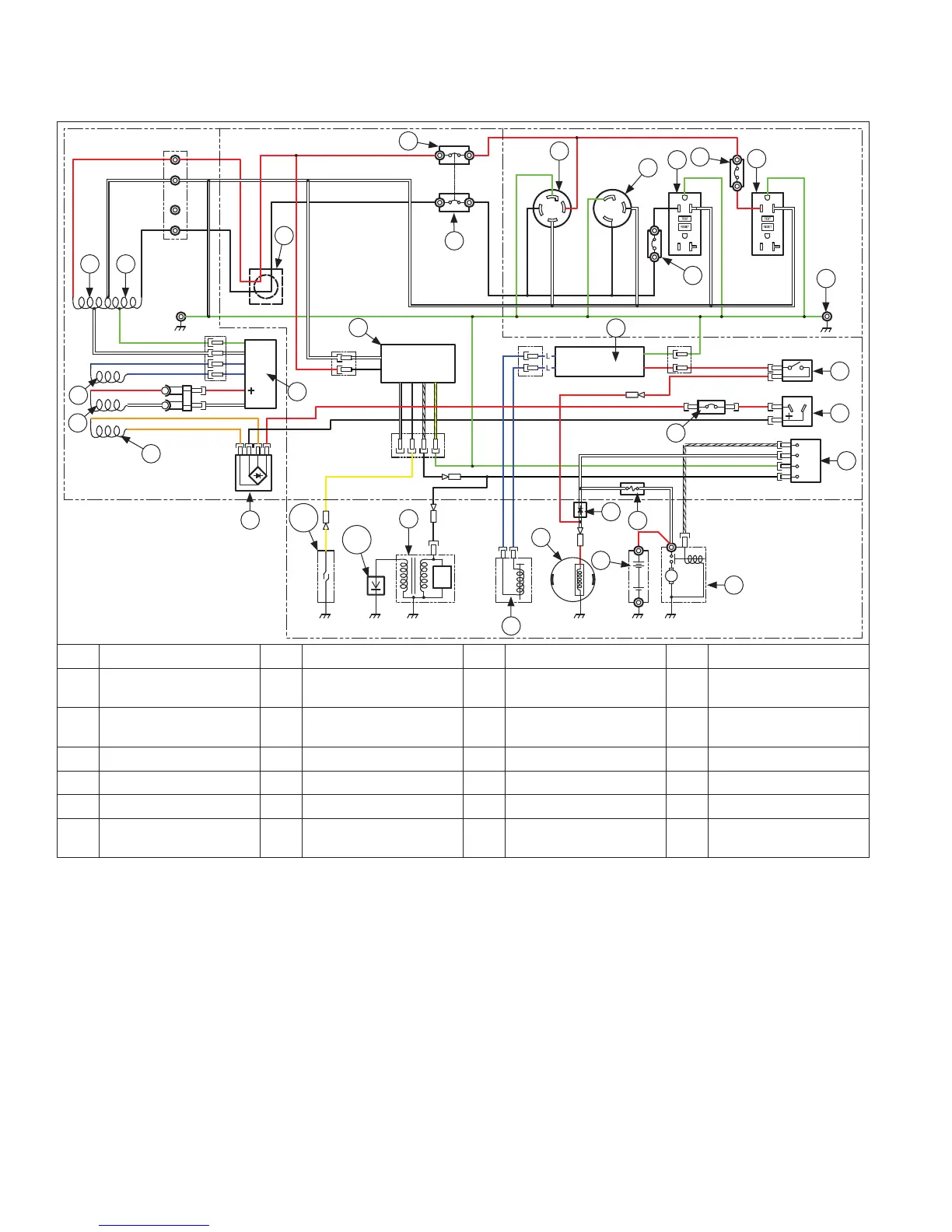
PRO 7.5 E Wiring Diagram
Y
Z
G
K
C
H
I
J
G
S
J
L
P
BA
T
Q
E
K
D
F
M
N
O
R
X
W
V
U
L
AA
AB
A Main Winding 1 B Main Winding 2 C Exciter Field Coil D Sub Coil
E DC Winding F Auto Idle Coil G Circuit Breaker H
240/120V/30A
Electrical Socket
I
120V/30A
Electrical Socket
J GFCI Receptacle K Circuit Protector 20A L Ground Terminal
M Auto Throttle Switch N 12V DC Receptacle O On/Off/Start Switch P Auto Idle Module
Q Maintenance Minder R AVR S Recti er T Starter Motor
U Battery Fuse V Diode W 12 Volt Battery X Stator
Y
Electronic Throttle
Control
Z Ignition Coil AA Spark Plug AB Oil Sentry

Other manuals for Kohler PRO 5.2

Related product manuals