EasyManua.ls Logo

Koldware 6KK61BFA0 - Wiring Diagram

Koldware 6KK61BFA0
16 pages
Print Icon
To Next Page IconTo Next Page
To Next Page IconTo Next Page
To Previous Page IconTo Previous Page
To Previous Page IconTo Previous Page
Loading...
11
Owners Manual
6KK61BFA0 / 6KK71BCA0 / 6KK92BCA3AA00
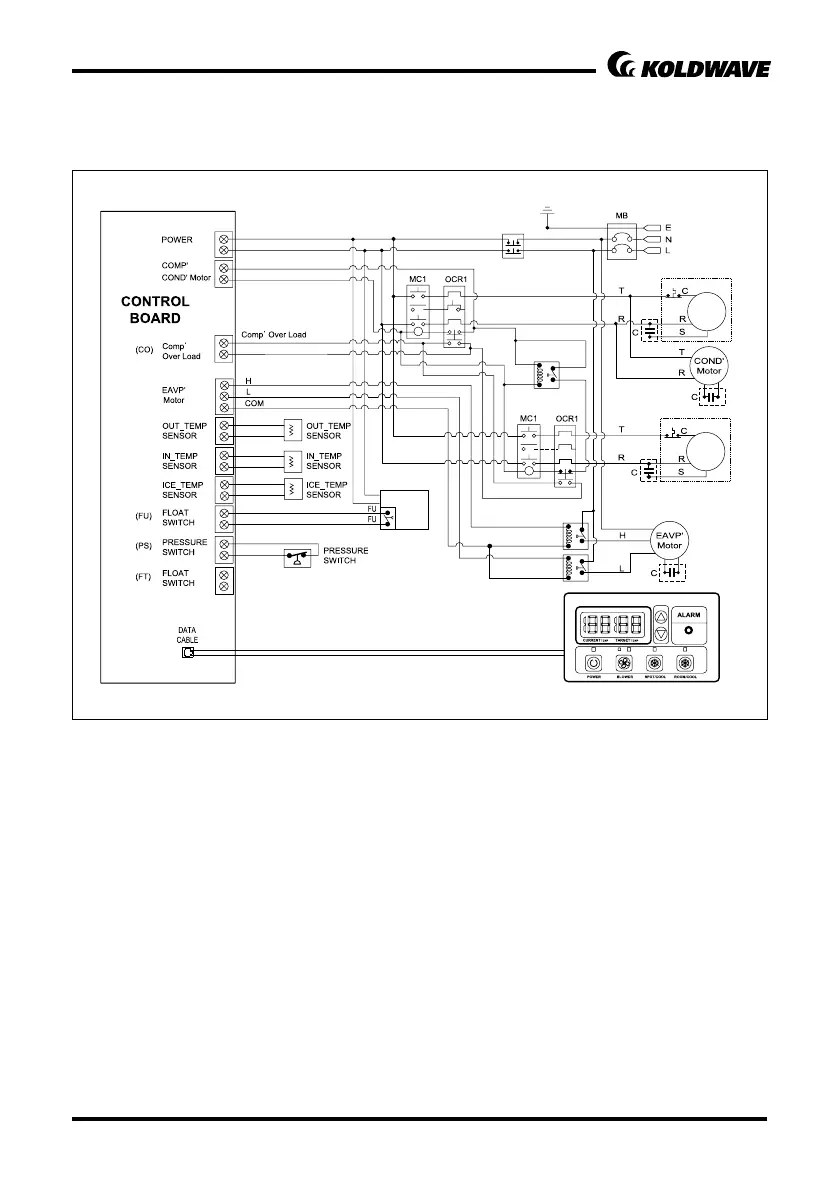
Wiring Diagram
Figure 12 - Circuit Wiring Diagram (6KK61BFA0)
(TH1)
(TH2)
(TH3)
RELAY
RELAY
TIMER
TB
N-1
(DEALY 20 seconds)
DRAIN
PUMP
NO.1
COMP’
NO.2
COMP’
L-1
POWER
1P
AC 208 / 230V

Related product manuals