EasyManua.ls Logo

Koldwave 6KK17BGA2AA00 - Page 12

Default Icon
16 pages
Print Icon
To Next Page IconTo Next Page
To Next Page IconTo Next Page
To Previous Page IconTo Previous Page
To Previous Page IconTo Previous Page
Loading...
12 13
Ownerโ€™s Manual
6KK14BEA2AA00 / 6KK17BGA2AA00 / 6KK21BGA2AA00
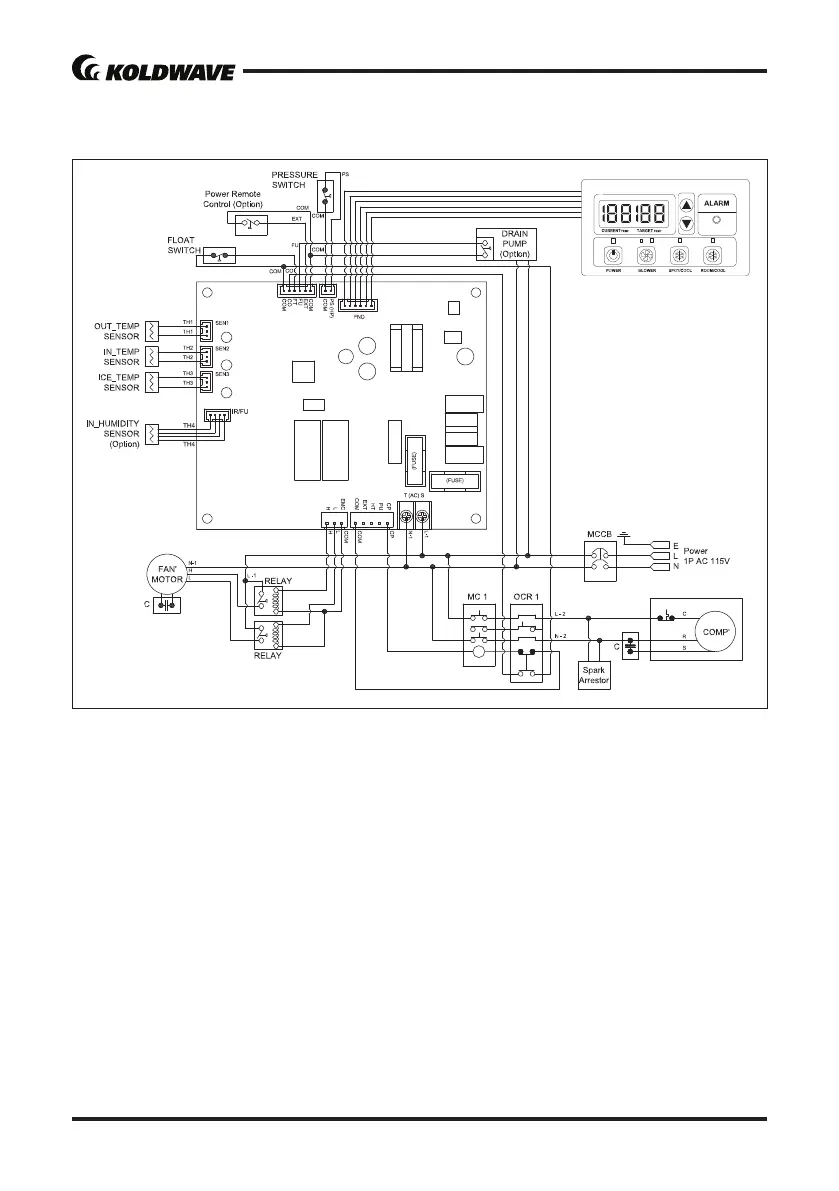
Wiring Diagram
Figure 14 - Circuit Wiring Diagram (6KK17BGA2AA00)

Related product manuals