EasyManua.ls Logo

Koldwave 6KK17BGA2AA00 - Wiring Diagram

Default Icon
16 pages
Print Icon
To Next Page IconTo Next Page
To Next Page IconTo Next Page
To Previous Page IconTo Previous Page
To Previous Page IconTo Previous Page
Loading...
11
Owners Manual
6KK14BEA2AA00 / 6KK17BGA2AA00 / 6KK21BGA2AA00
Wiring Diagram
136
116
바이어명
Model WIRING DIAGRAM
PART NO.
웰템
라벨 사이즈 136x116
적용모델
WPC-3000
WPC-4000
WPC-5000
수정사항
1
2
3
4
5
6
7
8
1
2
3
4
5
1. 재질 : 은무데드롱 25미크론
2. 인쇄방법: 씨링인쇄
3. 인쇄색상: 흑색 1도
4. 표면처리: 라미네이팅(OPP코팅)
5. 인쇄기준 : 도면 설계 제공 필름
6 외곽의 치수선(붉은선)은 인쇄후 절단선임.
W - 4,5 P
MCCB
Power
1P AC 115V-60Hz
1P AC 208-230V
(50/60Hz)
E
L
N
T (AC) S
CP
PU
HT
EXT
COM
EMC
L
H
TH1
TH1
OUT_TEMP
SENSOR
SEN1
SEN2
SEN3
TH2
TH2
TH3
TH3
IN_TEMP
SENSOR
ICE_TEMP
SENSOR
MC 1
OCR 1
C
FAN'
MOTOR
C
C
R
S
COMP'
Spark
Arrestor
FND
PS (HP)
COM
COM
EXT
FU
FT
CO
COM
DRAIN
PUMP
(Option)
L - 2
N - 2
COM
L
H
COM
L
H
COM
CP
N-1
L-1
COM
CO
COM
Power Remote
Control (Option)
EXT
COM
(FUSE)
(FUSE)
F L OAT
SWITCH
PRESSURE
SWITCH
COM
PS
WIFI & RF
ON/OFF
SWITCH
(Option)
FU
FT
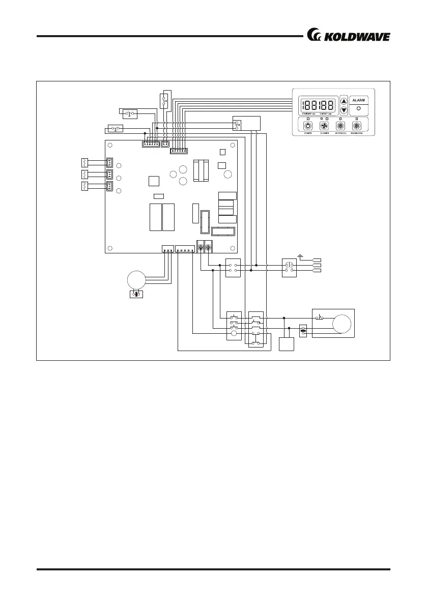
Figure 13 - Circuit Wiring Diagram (6KK14BEA2AA00,6KK21BGA2AA00)