EasyManua.ls Logo

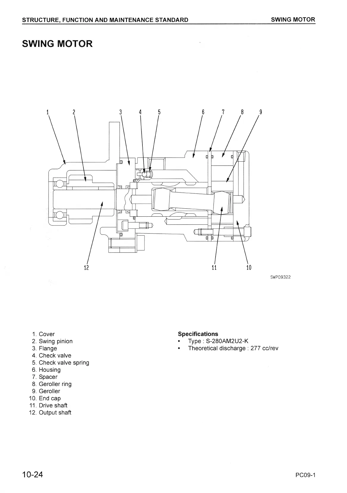
Komatsu PC09-1 - SWING MOTOR

Komatsu PC09-1
199 pages
Print Icon
To Next Page IconTo Next Page
To Next Page IconTo Next Page
To Previous Page IconTo Previous Page
To Previous Page IconTo Previous Page
Loading...

Table of Contents