EasyManua.ls Logo

Koolaire KDT0300A - KT0420 1 Ph Self-Contained Air;Water-Cooled

Koolaire KDT0300A
152 pages
Print Icon
To Next Page IconTo Next Page
To Next Page IconTo Next Page
To Previous Page IconTo Previous Page
To Previous Page IconTo Previous Page
Loading...
134 Part Number STH063 9/17
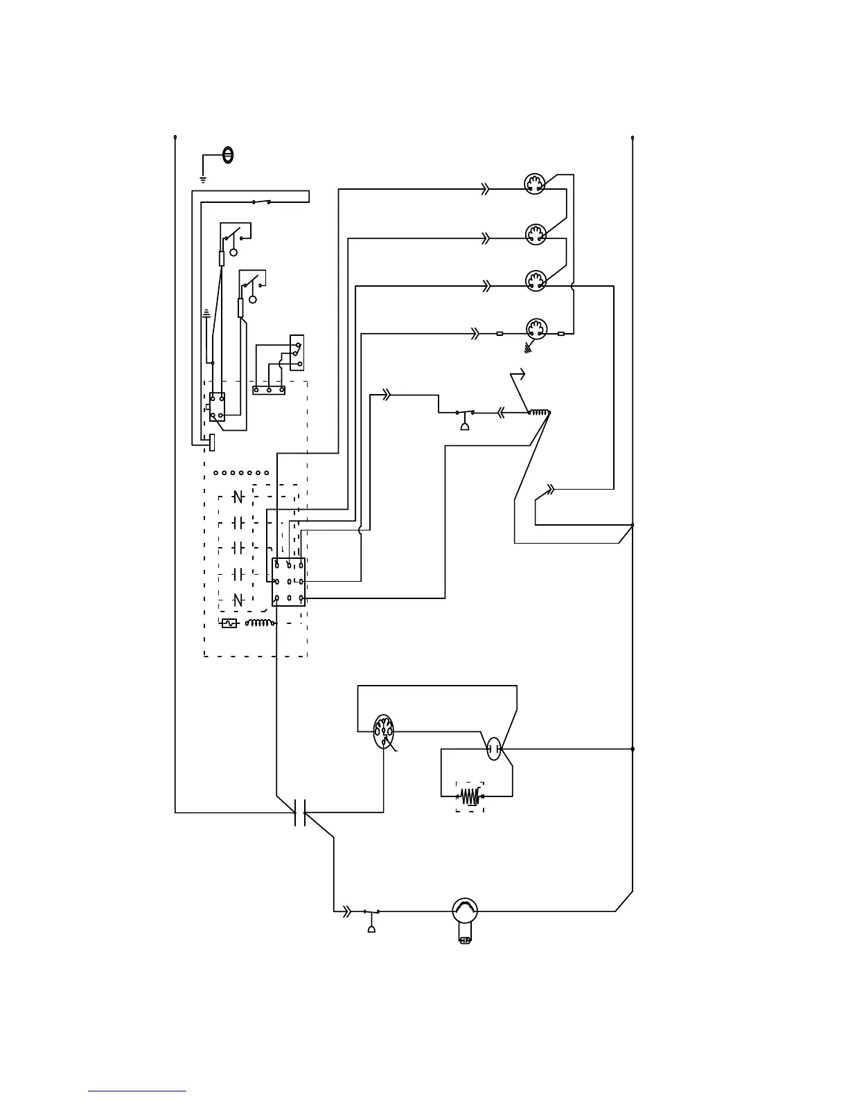
KT0420 1PH SELF-CONTAINED AIR/WATER-COOLED
L1
L2
GND
(22)
WHT
(21) BLU
(20) WHT
(99)
WHT
(77) RED
(61) RED
(80)
WHT
(81)
WHT
(76) BLK
(98) GRY
(60) BLK
(57) GRY
(59) ORG
(42)
ORG
(89)
PRPL
(88) PRPL
(58)
PRPL
(56)
WHT
(74)
WHT
(75)
WHT
(50) BLU
(C)
(S)(R)
(47) YEL
(49) RED
(48) BLK
(55)
BLK
L1
(51)
ORG
(85)
BLK
000014012_00
(45) YEL
(47) ORG
5
14
56
1
55
17
31
26
3
16
41
19
28 54
18
15
7
11
58
42
25
27
9

Table of Contents

Related product manuals