EasyManua.ls Logo

Kremlin CYCLOMIX MICRO - Installation Diagram

Default Icon
12 pages
Print Icon
To Next Page IconTo Next Page
To Next Page IconTo Next Page
To Previous Page IconTo Previous Page
To Previous Page IconTo Previous Page
Loading...
KREMLIN REXSON Page 9 Manual : 573.191.112
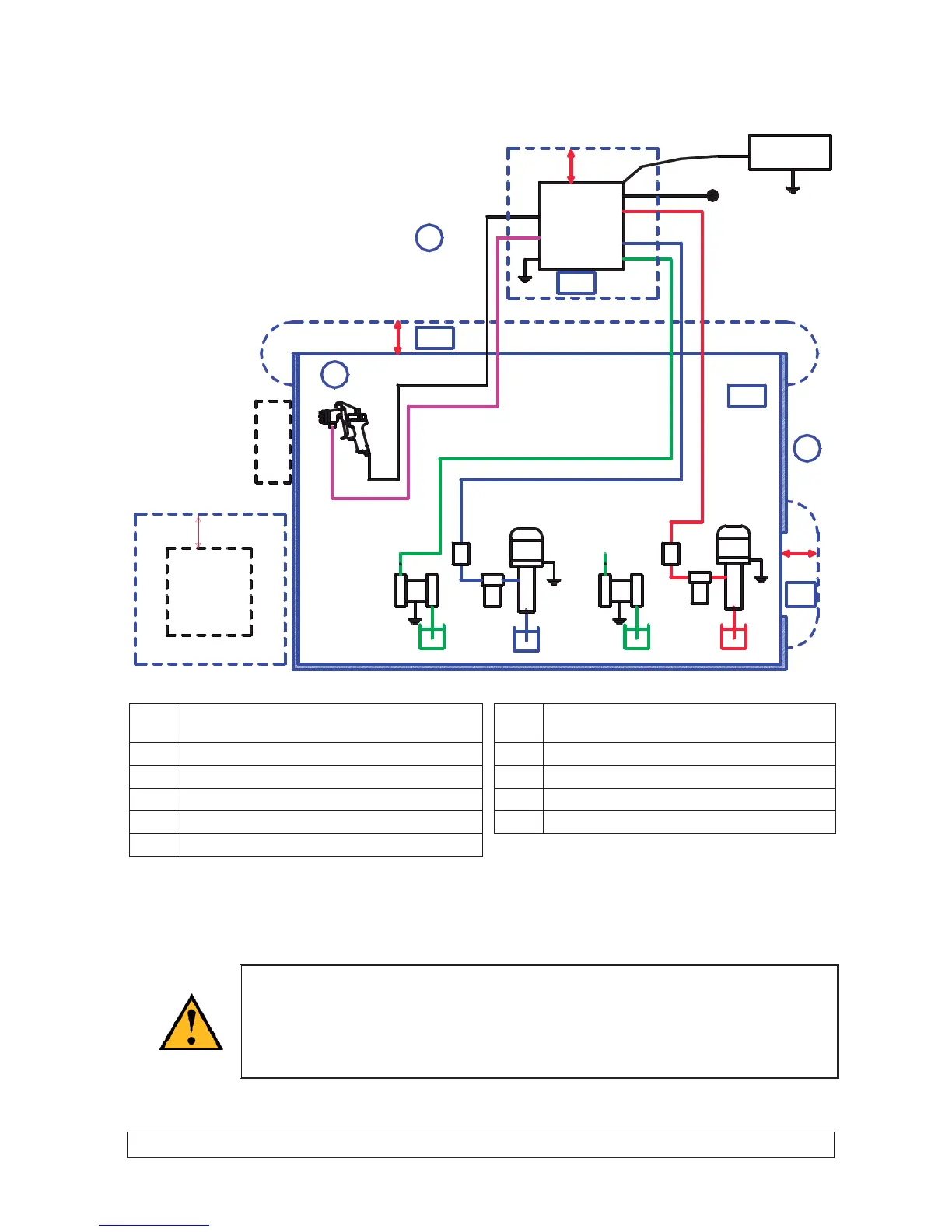
INSTALLATION DIAGRAM
B
A
Z1
Z2
Z2
1m
1m
2
3
4
5
8
B
6
6
77
1B
1A
1m
Z2
1B
1m
1A
A Explosive area : area 1 (Z1) or area 2 (Z2)
(spray booth)
4BASEpump
B Non explosive area (safe area) 5 SOLVENT pump (base)
1A CYCLOMIX
TM
MICRO control bay 6 Filter
1B CYCLOMIX
TM
MICRO fluid module 7 Fluid pressure regulator
2CATApump 8Gun
3 SOLVENT pump (cata)
Nota : To connect the SOLVENT pump (CATA) to the CYCLOMIX MICRO machine :
- choose a machine set up with 1 catalyst and one cata solvent,
- or disconnect the CATA hose at non-return valve level (CATA) of the machine and replace it connecting
the SOLVENT hose (CATA).
The 1 m distance indicated in the diagram is given for your information only and
KREM LIN REXSON shall not be liable for it. T he user is liable for the exact
delimitation of the zones which depends on the materials used, the material
environment and the use conditions (refer to EN 60079 -10 standard).
The 1 m distance can be adapted if the analysis the user carries out calls for it.