EasyManua.ls Logo

KRUEGER SVE - Page 7

KRUEGER SVE
31 pages
Print Icon
To Next Page IconTo Next Page
To Next Page IconTo Next Page
To Previous Page IconTo Previous Page
To Previous Page IconTo Previous Page
Loading...
Form #: SIDOM.4 Page | 7 Revised: 03/19
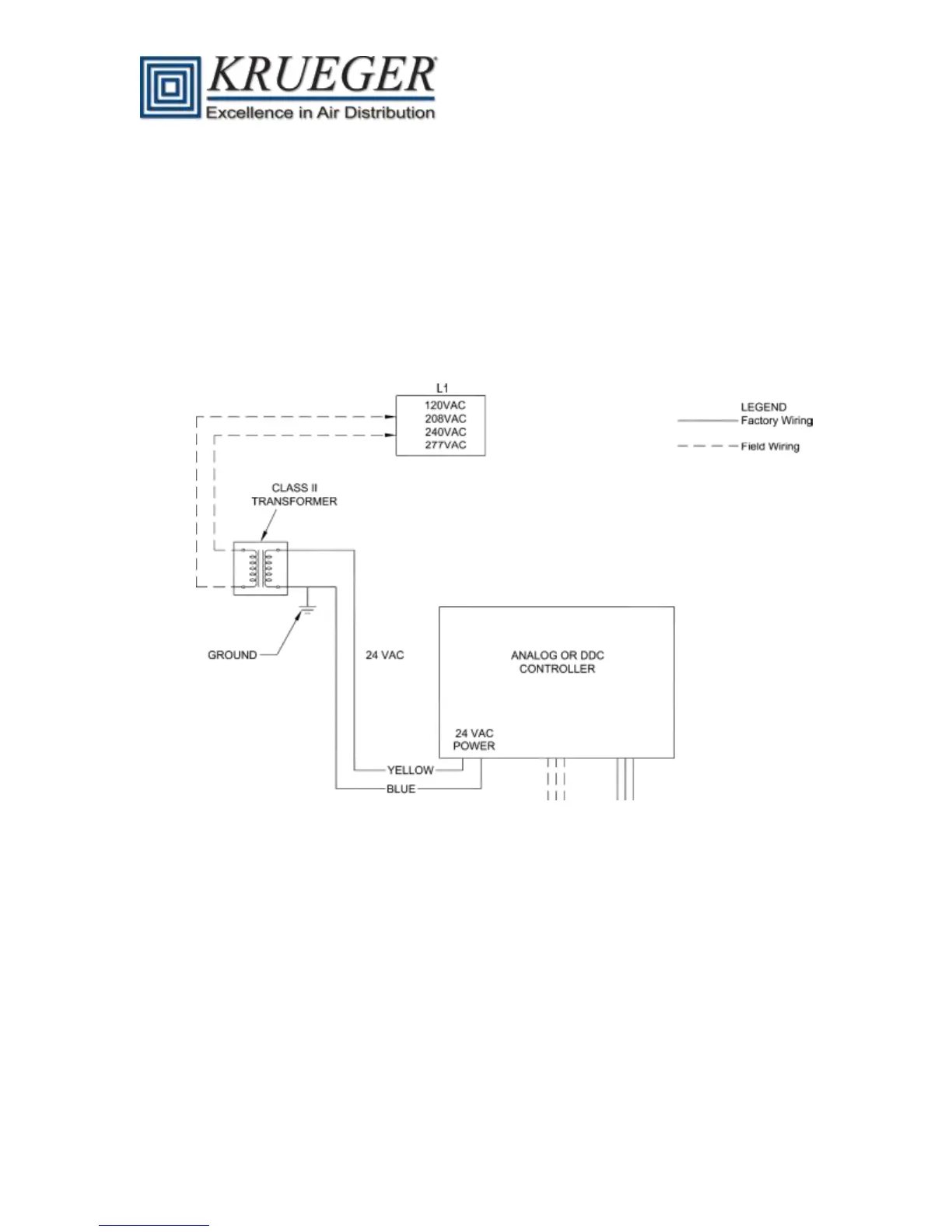
Step 3 Install Sensors and Make Field Wiring Connections (Electric
Analog or Direct Digital Controls)
Refer to specific unit dimensional submittals and control application diagrams for control
specifications. All field wiring must comply with National Electrical Code (NEC) and local
requirements. Refer to the wiring diagram on the unit for specific wiring connections. A field-
supplied transformer is required if the unit was not equipped with a factory installed
transformer. See the following Figure 4 for illustration.
Figure 4 - Wiring of Optional Factory Mounted Transformer
NOTE: Refer to the wiring diagram attached to each unit for unit specific information.

Other manuals for KRUEGER SVE

Related product manuals