EasyManua.ls Logo

KRUEGER SVE - Page 8

KRUEGER SVE
31 pages
Print Icon
To Next Page IconTo Next Page
To Next Page IconTo Next Page
To Previous Page IconTo Previous Page
To Previous Page IconTo Previous Page
Loading...
Form #: SIDOM.4 Page | 8 Revised: 03/19
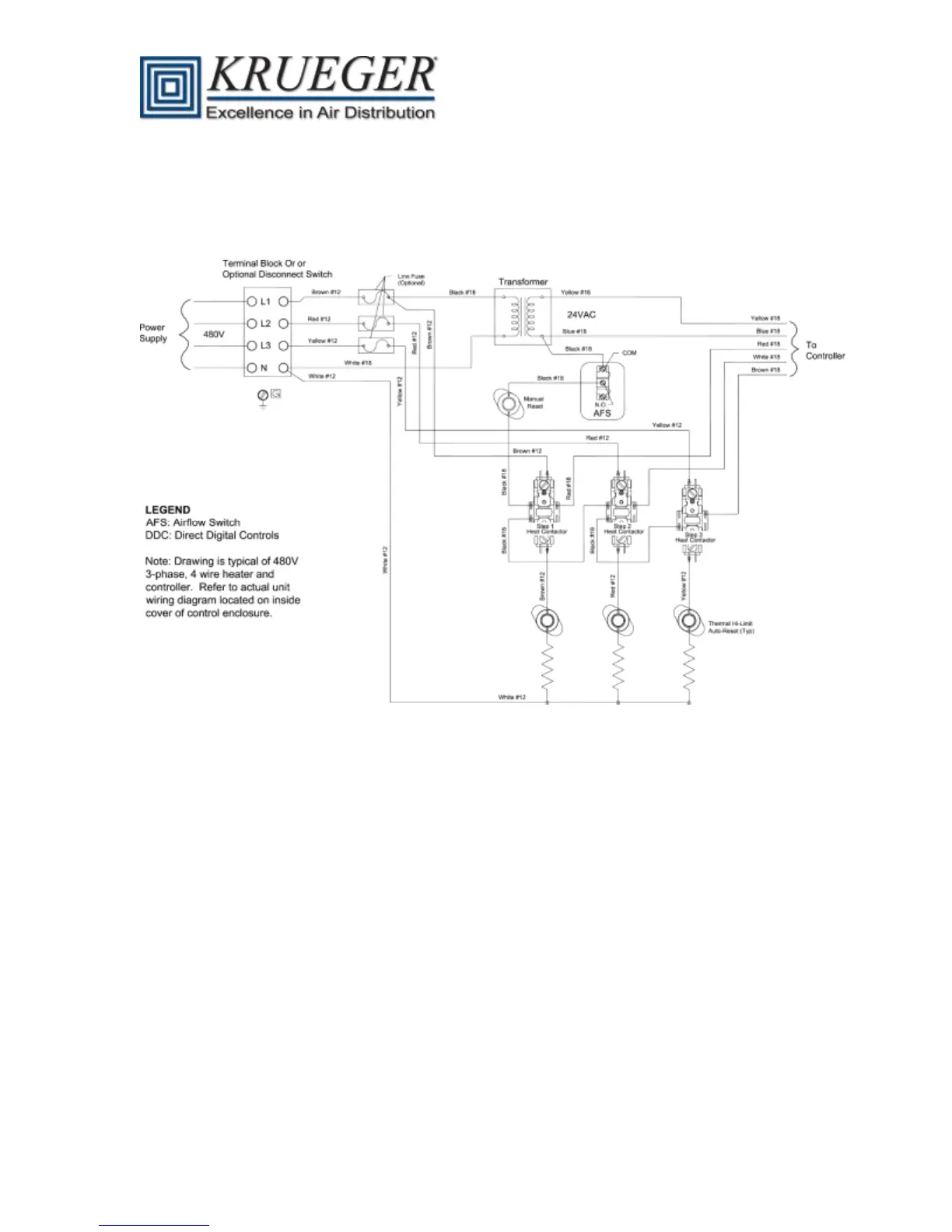
Single duct terminal units with electric heat are supplied with a single point wiring connection in the
heater control box. All unit power is supplied through this connection. Models with electric heat are
factory equipped with a control transformer. The following Figure 5 illustrates an example of a high
voltage wiring diagram that includes electric heat.
Figure 5 - Typical Power Connections for LMHS units with 3-Stage Electric Heat
For wiring and unit ampacities, please refer to Table 7 in Appendix A.
NOTE: Refer to the wiring diagram attached to each unit for unit specific information. Unit airflow
should not be set outside of the range noted in Figure 6 (pg. 11). The minimum
recommended airflow for units with electric heat is at least 75 cfm per kW and should not
drop below the minimum values listed in Table 6.A in Appendix A. The maximum unit
discharge temperature should not exceed 120
F. To prevent air stratification, the ASHREA
Handbook of Fundamentals recommends a discharge temperature not to exceed 90 °F.

Other manuals for KRUEGER SVE

Related product manuals