EasyManua.ls Logo

KTM 200 XC - Page 60

KTM 200 XC
71 pages
Print Icon
To Next Page IconTo Next Page
To Next Page IconTo Next Page
To Previous Page IconTo Previous Page
To Previous Page IconTo Previous Page
Loading...
ANHANG – APPENDICE
APPENDIX – APÉNDICE
3
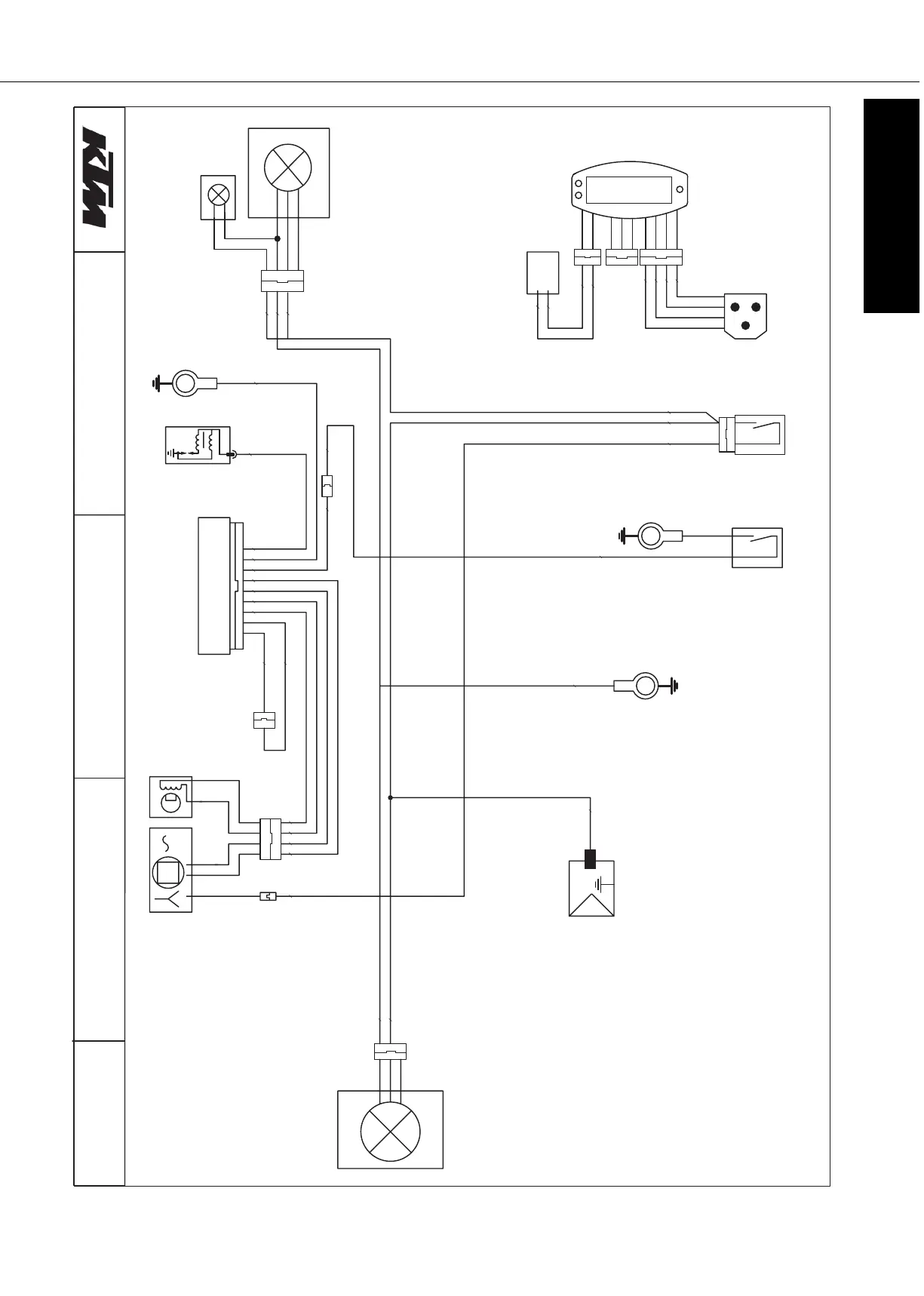
SCHALTPLAN » WIRING DIAGRAMM
7002 052-002 W-CX
mmargaid gniriw
000.570.11.845ssenrah niam
6002.40.01
l
i
o
c
n
o
i
t
i
n
gi
rear light/brakelight
v
ro
snes de
ep
s
h
c
ti
ws rab eldnah
)
l
ano
i
tpo
(
hctiws pots
hctiws thgil
C
D
I
headlight
G
3
rotareneg
pu kc
i
p
U
reifitcer-rotaluger
multi-func.-digital-speedometer
rotceles evruc
noit
i
ng
i
hw
rb
ye
re-wh
re-bl
gn
re
re
gn
re-bl
re-wh
bu-wh
br
ye-bl
bl-wh
br
br
ye
wh
rb
l
b-eylb-ey
lb
lb
l
b
l
b
e
r
ub
hw
rb
wh
ye-bl
hw
hw
hw
lb
-
rg
rg

Table of Contents

Related product manuals