EasyManua.ls Logo

KTM 200 XC - Page 61

KTM 200 XC
71 pages
Print Icon
To Next Page IconTo Next Page
To Next Page IconTo Next Page
To Previous Page IconTo Previous Page
To Previous Page IconTo Previous Page
Loading...
ANHANG – APPENDICE
APPENDIX – APÉNDICE
4
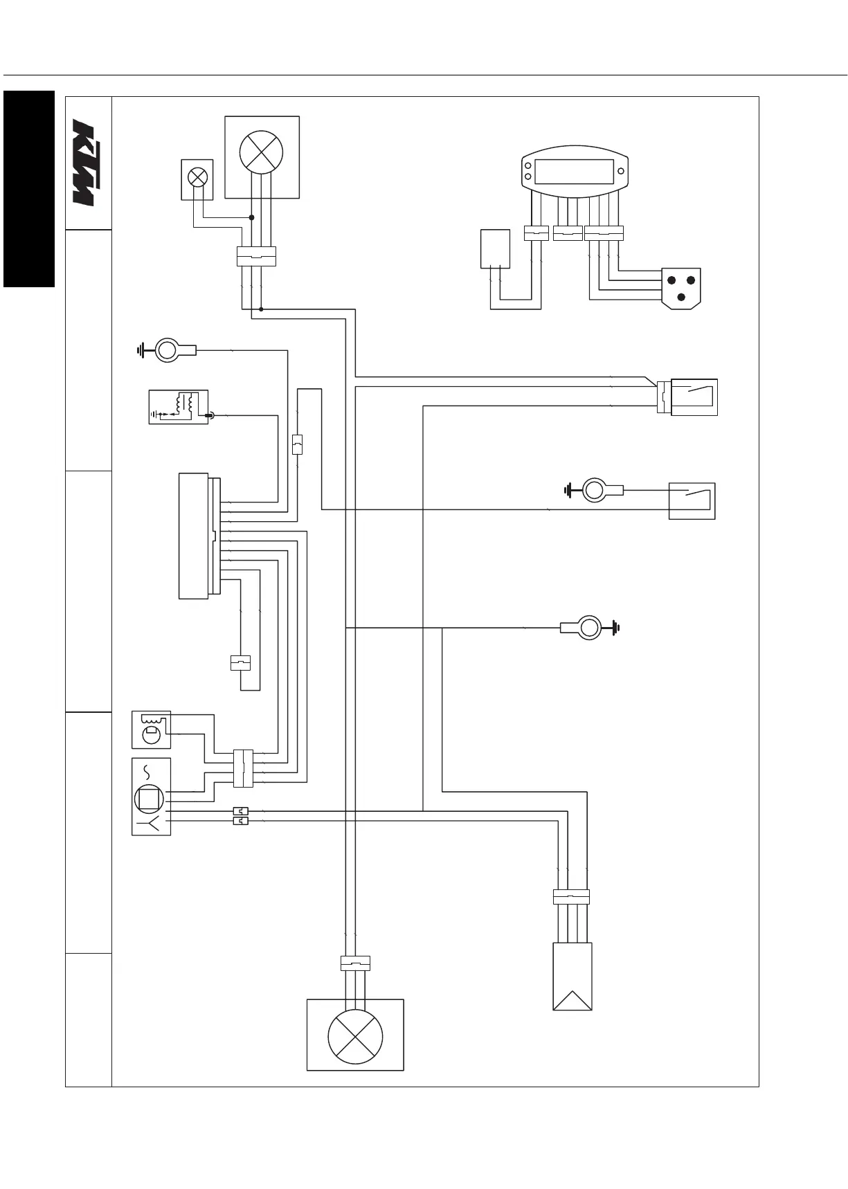
SCHALTPLAN » WIRING DIAGRAMM
7002 003 W-XC
mmargaid gniriw
ssenrah niam
001.570.11.845
6002.40.01
li
o
c
noitingi
rear light/brakelight
v
rosnes deeps
hcti
w
s
r
ab el
d
nah
)l
a
noitpo(
hc
t
iw
s
po
ts
hctiw
s
thg
i
l
C
D
I
G
3
rotareneg
pu kcip
U
reifitcer-rotaluger
headlight
multi-func.-digital-speedometer
rotceles evruc noitingi
ey
hw
rb
hw
rb
wh
re-wh
re-bl
gn
re
re
gn
re-bl
re-wh
bu-wh
br
ye-bl
bl-wh
br
br
ye
wh
rb
lb-
e
y
lb
-ey
lb
lb
lb
lb
e
r
ub
hw
rb
wh
ye-bl
ye
hw
hw
lb-rg
rg

Table of Contents

Related product manuals