EasyManua.ls Logo

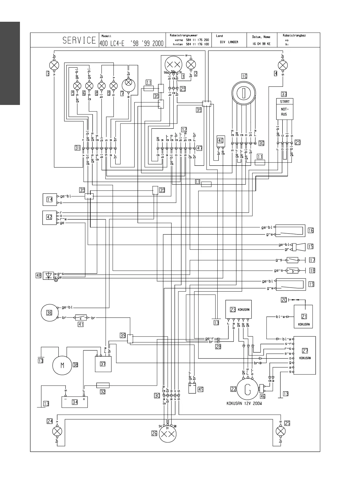
KTM 400 LC4-E - Schémas de Câblage Électrique

KTM 400 LC4-E
46 pages
Print Icon
To Next Page IconTo Next Page
To Next Page IconTo Next Page
To Previous Page IconTo Previous Page
To Previous Page IconTo Previous Page
Loading...
ANHANG – APPENDICE
APPENDIX – APÉNDICE
1

Related product manuals