EasyManua.ls Logo

KTM 400 LC4-E - Page 44

KTM 400 LC4-E
46 pages
Print Icon
To Next Page IconTo Next Page
To Next Page IconTo Next Page
To Previous Page IconTo Previous Page
To Previous Page IconTo Previous Page
Loading...
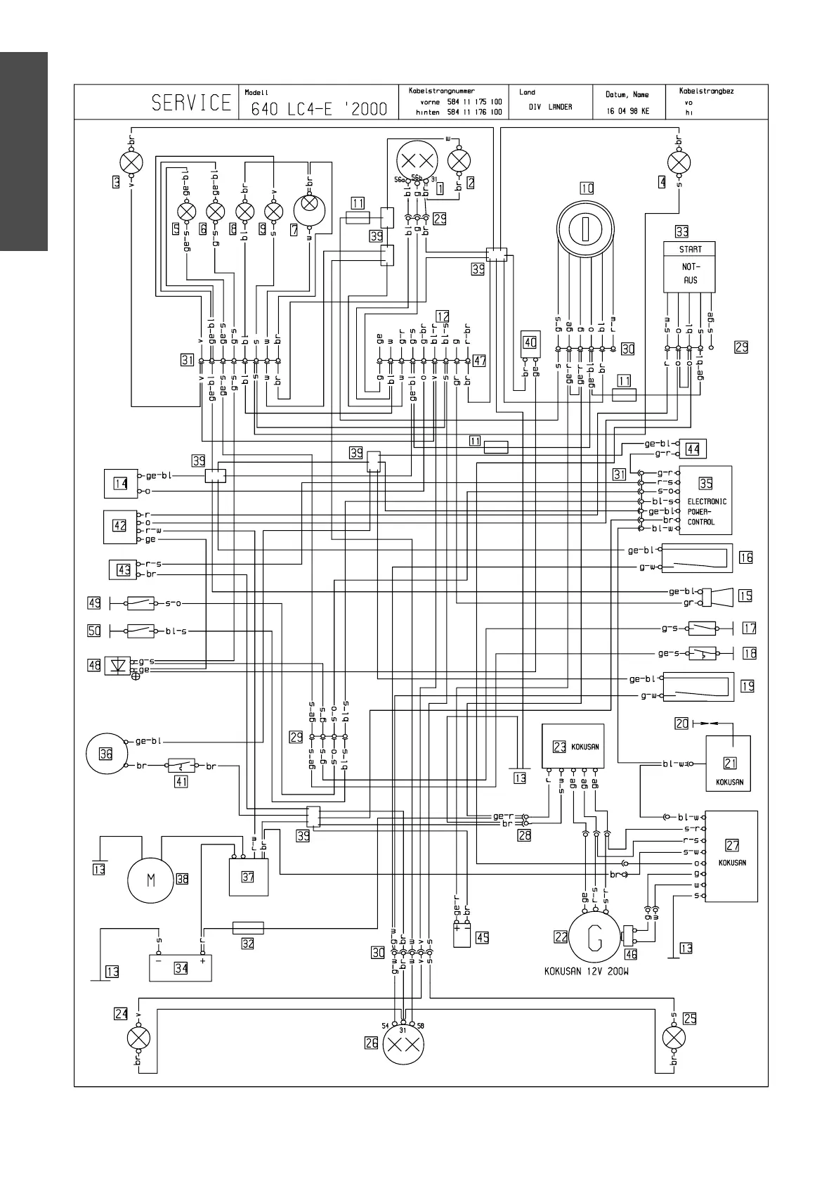
ANHANG – APPENDICE
APPENDIX – APÉNDICE
3

Related product manuals