EasyManua.ls Logo

KTM 640 LC4-E SUPERMOTO - Page 44

KTM 640 LC4-E SUPERMOTO
46 pages
Print Icon
To Next Page IconTo Next Page
To Next Page IconTo Next Page
To Previous Page IconTo Previous Page
To Previous Page IconTo Previous Page
Loading...
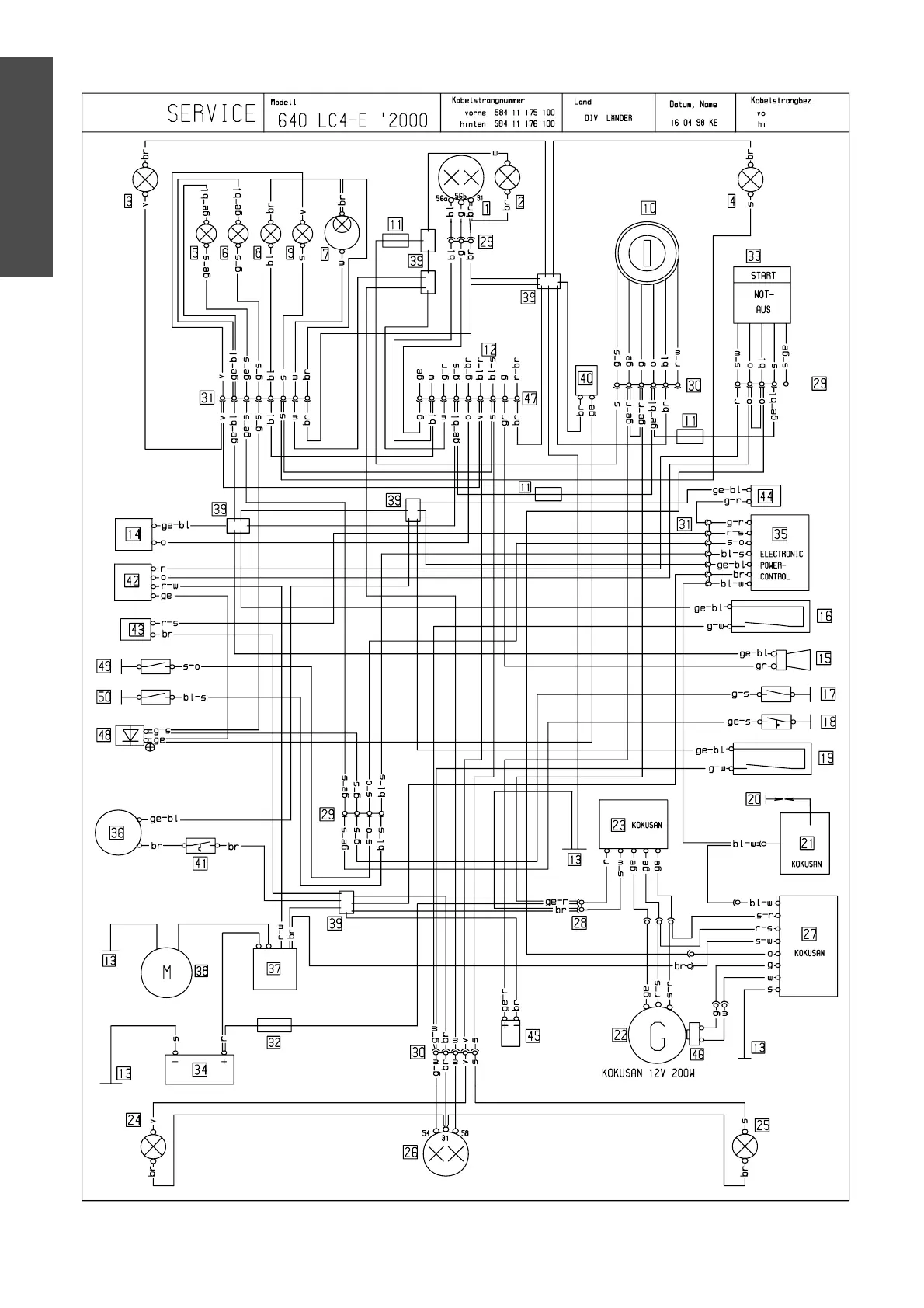
ANHANG – APPENDICE
APPENDIX – APÉNDICE
3

Related product manuals