EasyManua.ls Logo

Kubota D1503-M-E3 - Page 47

Kubota D1503-M-E3
47 pages
Print Icon
To Previous Page IconTo Previous Page
To Previous Page IconTo Previous Page
Loading...
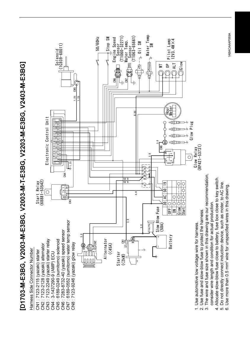
35WIRING DIAGRAMS
ENGLISH
E.book 35 ージ 2009年4月23日 木曜日 午前10時31分

Related product manuals