EasyManua.ls Logo

Kubota DG972 E2 - Page 12

Kubota DG972 E2
93 pages
Print Icon
To Next Page IconTo Next Page
To Next Page IconTo Next Page
To Previous Page IconTo Previous Page
To Previous Page IconTo Previous Page
Loading...
0-7
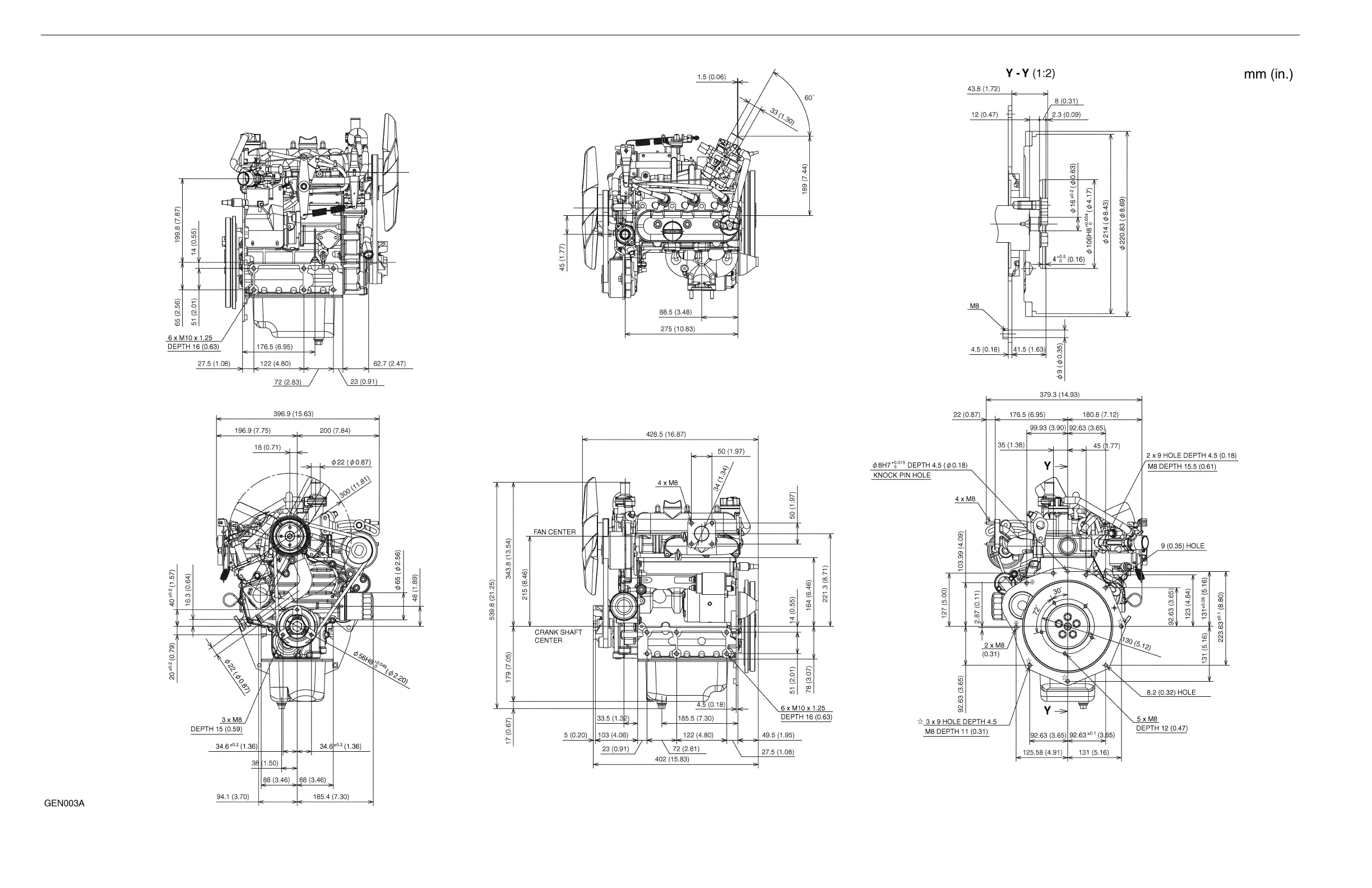
WG752-GL-E3BBH-1 (EG645-00000)

Table of Contents

Related product manuals