EasyManua.ls Logo

Kubota DG972 E2 - Page 31

Kubota DG972 E2
93 pages
Print Icon
To Next Page IconTo Next Page
To Next Page IconTo Next Page
To Previous Page IconTo Previous Page
To Previous Page IconTo Previous Page
Loading...
2-3
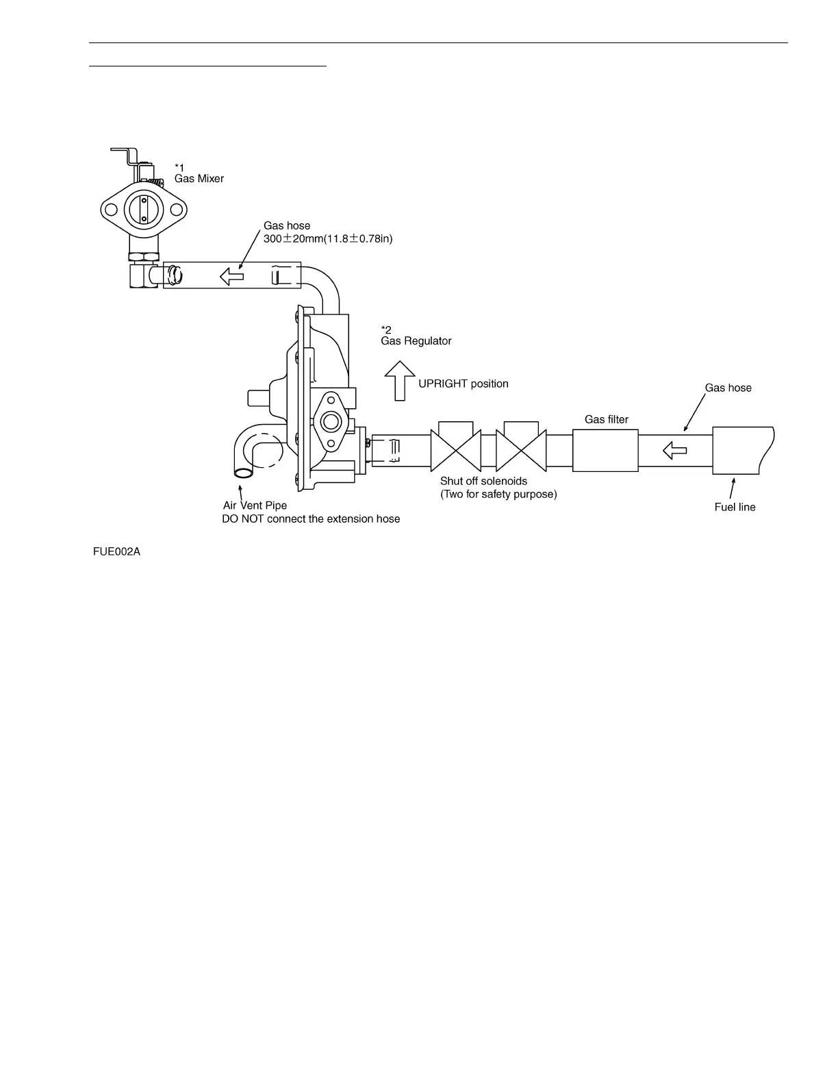
DG972 (See next page “CAUTIONS”)
Mark * 1 to 2 are supplied by KUBOTA.
The other parts should be procured by OEM. (include hose)
Each pipes should be surely connected by clamp.

Table of Contents

Related product manuals