EasyManua.ls Logo

Kubota Z602-E3 - Page 46

Kubota Z602-E3
233 pages
Print Icon
To Next Page IconTo Next Page
To Next Page IconTo Next Page
To Previous Page IconTo Previous Page
To Previous Page IconTo Previous Page
Loading...
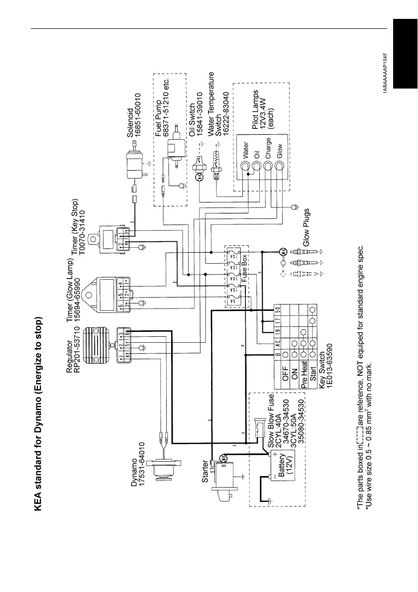
31WIRING DIAGRAMS
ENGLISH

Table of Contents

Related product manuals