EasyManua.ls Logo

LABEL-AIRE Write-up 3138NV-DAT - SIDE APPLICATOR

LABEL-AIRE Write-up 3138NV-DAT
53 pages
Print Icon
To Next Page IconTo Next Page
To Next Page IconTo Next Page
To Previous Page IconTo Previous Page
To Previous Page IconTo Previous Page
Loading...
15
SIDEAPPLICATOR
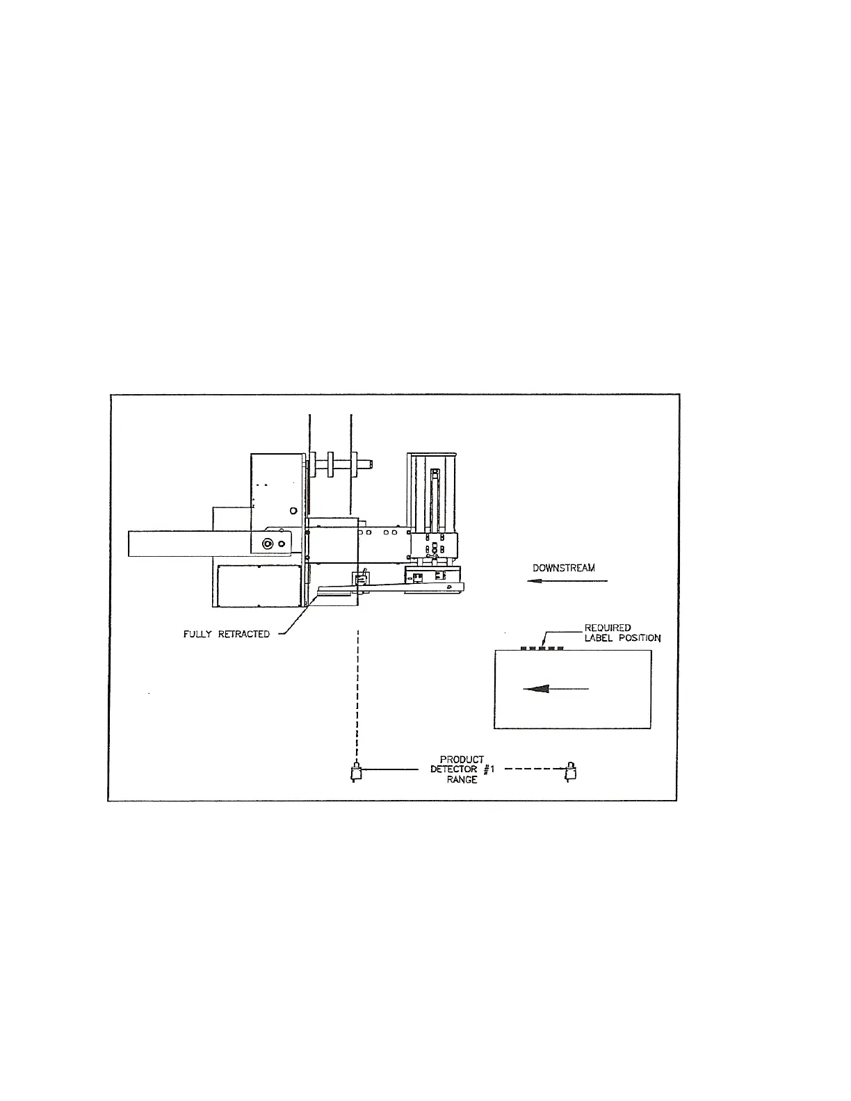
ProductDetector#1shouldbepositionedupstream
4
oftheretractedsidetamp.ProductDetector#1
mustbepositionedfarenoughupstreamtoallow thesidetamptimetoreachthefully extended
position,orthesideoftheproduct,astheproductarrivesattheapplyposition.SeeFigure5and
Figure6.
1.Pressthe[custom]
buttontilltheDISABLEappearsonthemenuscreen.
2.RefertoFigure5orFigure 6.PositionProductDetector#1atanappropriatepositionrelativetothe
retractedsidetamp.
Figure5
4ProductDetector#1canbedownstreamoftheretractedsidetampifthelabelisappliedfurther
towardsthetrailingendoftheproduct.