EasyManua.ls Logo

Laird PR-59 - Page 6

Laird PR-59
19 pages
Print Icon
To Next Page IconTo Next Page
To Next Page IconTo Next Page
To Previous Page IconTo Previous Page
To Previous Page IconTo Previous Page
Loading...
6
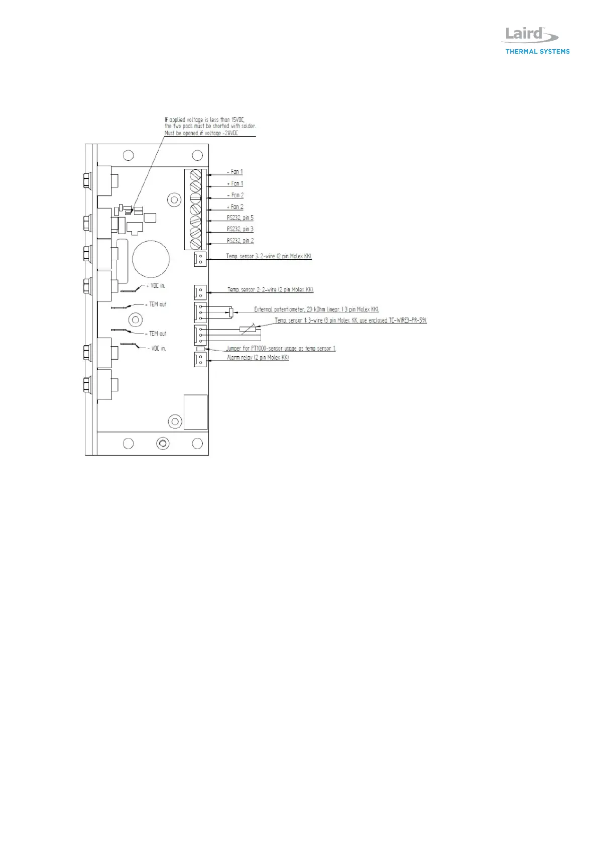
Connections:
3. Power up the controller and start the LT-Interface software on PC. Note that applied voltage
should not exceed Vmax rating on thermoelectric assembly or TEM’s since the TEM output is
an unfiltered PWM.
4. To connect the software to the controller, first enter “Setup>Global setup” and choose the
communication port to which the PR-59 is connected. Then enter “Regulator > Connect” to
establish a connection between the software and the controller.
5. You should now see online information from the controller on your screen.
6. In the LT-Interface, configure the parameters that are needed for the application.
7. Download the configuration to the PR-59 by pressing the “SEND” button followed by the
“START” button to start the PR-59. To store the parameters permanently in the controller they
must be saved to the FLASH memory. Enter “Regulator > Save to FLASH”. Otherwise the
parameters will be lost at power down.
8. To retrieve the configuration that is in the PR-59, press “RETRIEVE” and the parameters will be
uploaded from the PR-59 to the LT-Interface.