EasyManua.ls Logo

LAMAR CA-1550–CML - 4.3 Preparation for Testing

LAMAR CA-1550–CML
44 pages
Print Icon
To Next Page IconTo Next Page
To Next Page IconTo Next Page
To Previous Page IconTo Previous Page
To Previous Page IconTo Previous Page
Loading...
4. OPERATING GUIDE - DISCHARGING
4.2.1 Constant-Current Discharge Method
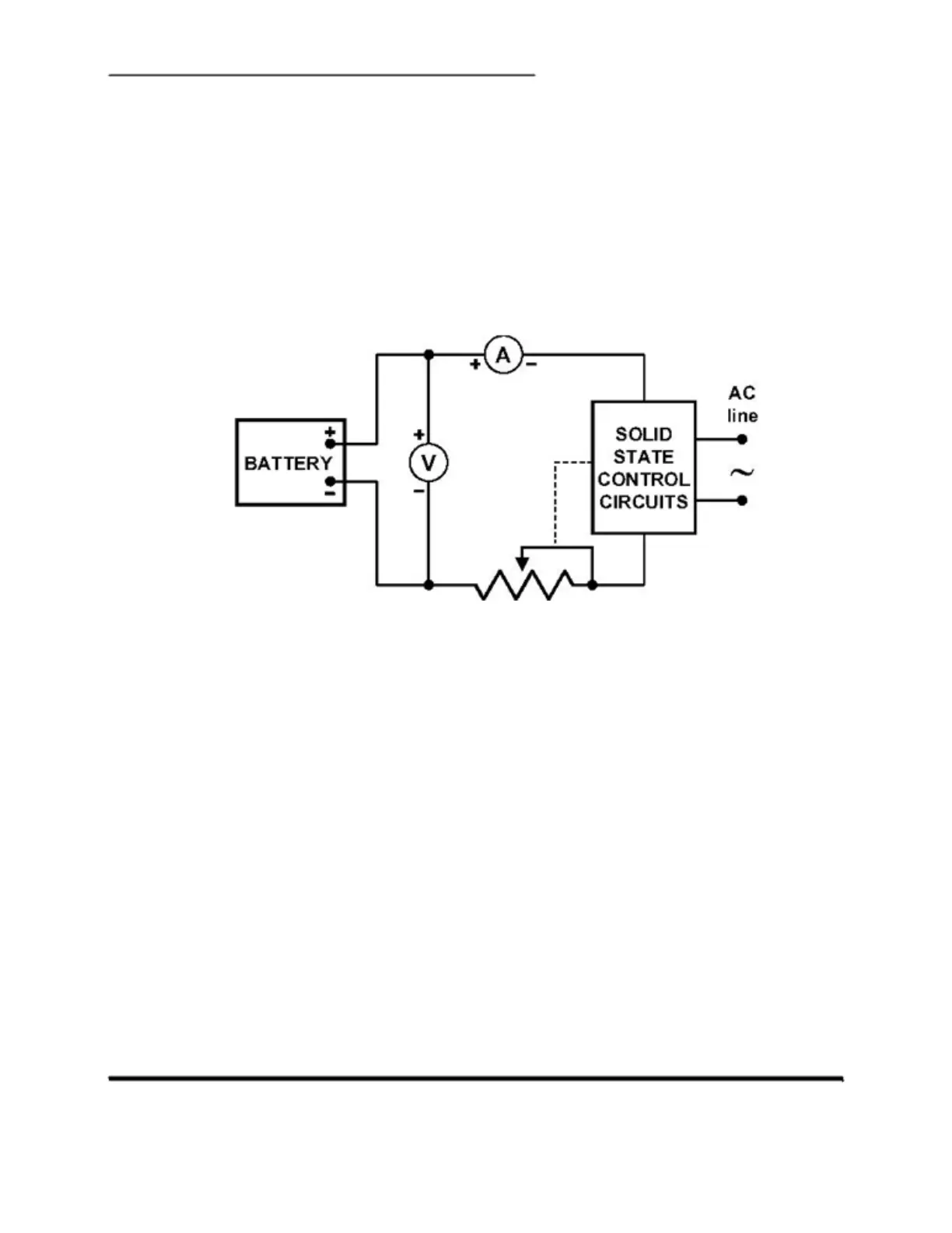
The most accurate and repeatable method of measuring capacity is to discharge the
battery at a constant-current rate. This is also the method used by the CA1550. The
load resistance in this method is continuously and automatically varied to maintain a
constant discharge current as the battery's voltage decreases. A schematic of the
circuit diagram for the CA-1550 can be seen in Figure 4-3. At the end of discharge,
the calculation of ampere-hour capacity is the product of discharge current and the
elapsed discharge time.
LOAD RESISTOR
Figure 4-3. Circuit diagram for constant current discharge test
NOTE: Always read the battery manufacturer's operating
instructions. Some lead-acid batteries are recommended at a
20 volt cutoff when tested for an hour at 80% of rated
capacity. Some nickel-cadmium battery requirements are
testing for two hours at half the rated capacity, and a 1 volt per
cell cutoff.
4.3
PREPARATION FOR TESTING
Before starting the discharge test, read the component maintenance manual
(CMM) or the operating and maintenance manual (OMM) for the specific battery to be
tested. Ensure that the discharge rate and cutoff voltage from the battery
manufacturer are followed.
It is recommended that a visual inspection of the battery is carried out in
conjunction with testing and charging batteries.
CA-1550 CHARGER / ANALYZER - OPERATING MANUAL LI-4159-CML Rev A Page 16