EasyManua.ls Logo

Laney RB2 - BLOCK DIAGRAMS; General Notes

Laney RB2
25 pages
Print Icon
To Next Page IconTo Next Page
To Next Page IconTo Next Page
To Previous Page IconTo Previous Page
To Previous Page IconTo Previous Page
Loading...
9
General Notes
Amplifier connection: In order to avoid damage, it is advisable to establish and follow a pattern for turning on and off
your With all system parts connected, turn on source equipment players, mixers, effects processors etc. equipment. : CD
BEFORE turning on your mplifier Many products have large transient surges at turn on and off which can cause Bass A .
damage to your speakers. By turning on your mplifier LAST and making sure its control set to minimum any Bass A Volume is
transients from other equipment will not reach your loudspeakers Wait until all system parts have stabilised usually a couple . ;
of seconds Similarly when turning off your system always turn down the control on your and then . Volume Bass Amplifier
turn off its power before turning off other equipment.
The user should not attempt to service these products. Refer all servicing to qualified service personnel.Servicing:
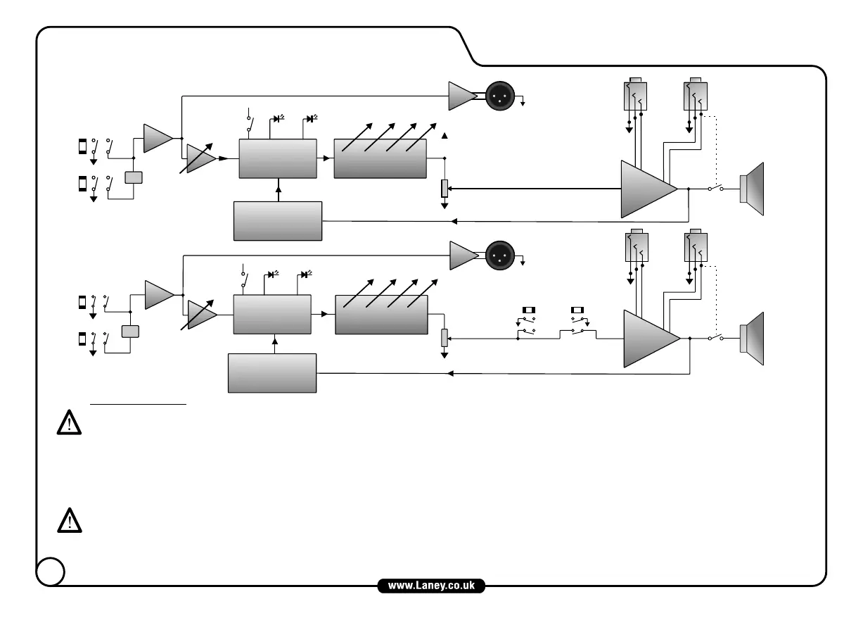
BLOCK DIAGRAMS
RETURN
D.I.
AUX IN (3.5MM)
POWER
AMP
LOUDSPEAKER
INPUT
VOLUME
HEADPHONES (3.5MM)
GAIN
D.I.
POWER
AMP
D.I.
RB3
RB2
PAD
ON
COMPRESSOR
SECTION
EQ SECTION
CLIP DISTORTION
LIMITER
This loop is a series type so all
your signal will go through your
FX unit.
EQ SECTION
VOLUME
FX LOOP
SEND
INPUTS
NORMAL
HI
LOUDSPEAKER
AUX IN (3.5MM)
ACTIVE
HEADPHONES (3.5MM)
GAIN
PAD
ON
COMPRESSOR
SECTION
CLIP DISTORTION
LIMITER

Other manuals for Laney RB2

Related product manuals