EasyManua.ls Logo

Lanix LX700B - Page 27

Lanix LX700B
80 pages
Print Icon
To Next Page IconTo Next Page
To Next Page IconTo Next Page
To Previous Page IconTo Previous Page
To Previous Page IconTo Previous Page
Loading...
17"& 19” LCD Color Monitor LANIX LX700B&LX900B
27
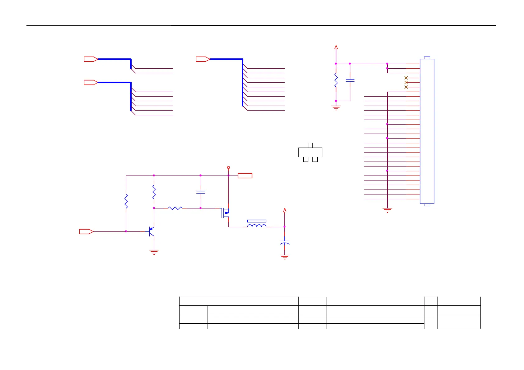
PANEL_VCC
PA9
PA[4..9]5
PA5
S
PB6
C420
0.1uF/16V
+
C421
100uF25V
CMVCC
Q404
PMBS3906
3
PB3
PB1
C419
0.1uF/16V
PB6
PB5
R436
100K 1/16W 5%
PPWR_ON#
PB4
PA[0..1]
R434
330 OHM 1/4W
PA5
PA1
R435
4K7 1/16W 5%
Q17W 1.0
AOC Q-series / FSC-AXX-3
A
6 7Friday, February 22, 2008
715G2904-D
< >
04.Output
G2904-1-X-X-4-080222
OEM MODEL Size
Rev
Date
Sheet of
TPV MODEL
PCB NAME
T P V ( Top Victory Electronics Co . , Ltd. )
Key Component
PA8
Q405
AO3401
AO3401L
PA0
D
PA4
PA6
PA4
PANEL_VCC
PB9
2
PA7
PB7
PB9
FB402
120OHM
PB[0..9]
PB[0..9]5
PB3PA8
PA1
2006-11-7 Add pull up 4K7 to MVCC
PA9
1
PA[0..1]5
PB2
PPWR_ON#5
PA[4..9]
G
PA7
PB0
CN403
CONN
1
2
3
4
5
6
7
8
9
10
11
12
13
14
15
16
17
18
19
20
21
22
23
24
25
26
27
28
29
30
PA0
R433
10K 1/16W 5%
CMVCC 7
PA6
PB2PB8
PB5
PB7
PB4
PB2
PB0
PB3
PB1
PB8