EasyManua.ls Logo

Lauda Integral T 10000 W - Submenu Analogue Outputs

Default Icon
108 pages
Print Icon
To Next Page IconTo Next Page
To Next Page IconTo Next Page
To Previous Page IconTo Previous Page
To Previous Page IconTo Previous Page
Loading...
Integral T process thermostats
66 Starting up YAWE 0026 / 21/01/2019
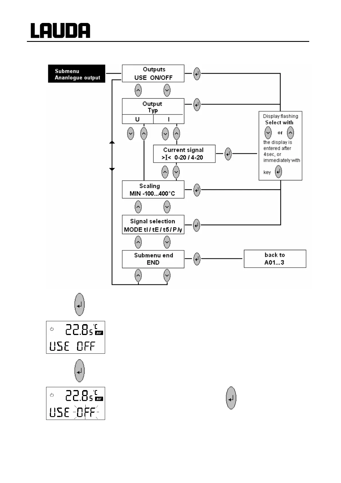
7.6.5.2 Submenu Analogue outputs
From A01 scroll to
USE = here the analogue output 1 (or, depending on
previous steps, output 2 or output 3) can be switched ON
and OFF.
Enter required status with .

Table of Contents

Related product manuals