EasyManua.ls Logo

Leader Electronics Corp. LPS-160A - Page 19

Leader Electronics Corp. LPS-160A
21 pages
Print Icon
To Next Page IconTo Next Page
To Next Page IconTo Next Page
To Previous Page IconTo Previous Page
To Previous Page IconTo Previous Page
Loading...
CXl
I
ZOJ
RDll.2fBI
'
"
~
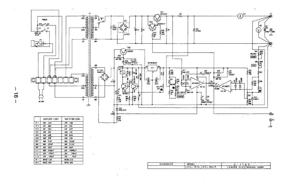
161A(32V-1.2A)
l60-2H8V-2.0AJ
..
""
"
,.
UIK
"
,.
""
'"
..
....
'"
..
3.'fK
..
2,7K
"'
..
3.01KF
..
S.IJKF
"'
..
332F
~jjW
S62F.
C3
80V3300pF
...
F000011F
"'
J00jlf
" '"
/OOJJF
"'
47JJF
"
HF4S-1.5A
lofF45-2.SA
Hf.j5>.f0V
SCHEMATIC
MODEL
0 - 1 7 8 2
LPS
161A
LPS
160-2
LEADER
ELECTRONICS
CORP.