EasyManua.ls Logo

Leader Electronics Corp. LPS-160A - Page 20

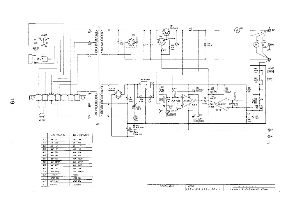
Leader Electronics Corp. LPS-160A
21 pages
Print Icon
To Next Page IconTo Next Page
To Next Page IconTo Next Page
To Previous Page IconTo Previous Page
To Previous Page IconTo Previous Page
Loading...
co
I
!60AC32V-0.5A)
SW
680
80VJOOCpF
S4VB!D
160-1(18V-10A)
5DV
4700pF
""
+ ;gV RDBl£61
IOOuF
R26
Y.IW
1.2K
'--------------"
SCHEMATIC
MODEl
0 - 1 7 8 3
LPS
160A,
LPS
16J
1
LEADER
ElECTRONICS
CORP.