EasyManua.ls Logo

Learjet 20 Series - Page 275

Default Icon
373 pages
Print Icon
To Next Page IconTo Next Page
To Next Page IconTo Next Page
To Previous Page IconTo Previous Page
To Previous Page IconTo Previous Page
Loading...
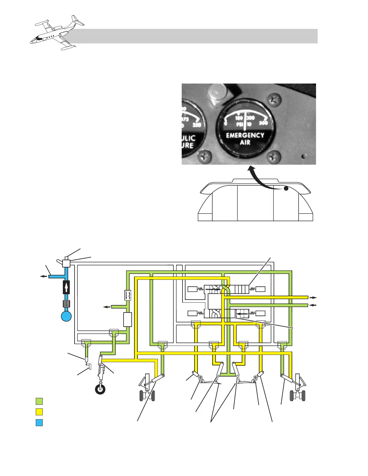
pressure to release the main gear inboard door
uplatches and to open the doors. The two main
gear red UNSAFE lights illuminate simultane-
ously with uplatch release.
When the inboard doors are fully open, the door
open switches are actuated to energize the gear
control valve. This directs pressure to release the
nose gear uplatch and extend the nose and main
gear (Figure 14-7). The nose gear red UNSAFE
light illuminates.
When the gear is fully down and locked, the
three green LOCKED DOWN lights illuminate
and the nose gear red UNSAFE light
extinguishes. Circuitry is completed by both
main gear downlock switches to energize the
door control valve to the closed position.
Pressure closes the gear inboard doors
(Figure 14-7), which lock in position by spring
tension on the door uplatches, and the two main
gear red UNSAFE lights extinguish.
14-8
FOR TRAINING PURPOSES ONLY
LEARJET 20 SERIES PILOT TRAINING MANUAL
FlightSafety
international
Figure 14-7. Landing Gear Extended
TO
EMERGENCY
BRAKES
OVERBOARD
GEAR EMERGENCY EXTENSION CONTROL VALVE
EMER
AIR
BOTTLE
TO BRAKE
SYSTEM
UPLATCH
ACTUATOR
UPLATCH
NOSE
GEAR
ACTUATOR
EXTEND RETRACT
SOL SOL
SOL SOL
GEAR
CONTROL VALVE
DOOR
CONTROL
VALVE
MAIN GEAR
ACTUATOR
UPLATCH ACTUATOR
UPLATCH
DOOR
ACTUATOR
GEAR INBOARD DOOR
DOOR
ACTUATOR
UPLATCH
UPLATCH
ACTUATOR
MAIN GEAR ACTUATOR
LEGEND
SYSTEM HYDRAULIC PRESSURE
RETURN
AIR PRESSURE
PRIORITY
VALVE
Figure 14-8. Air Pressure Indicator

Table of Contents

Related product manuals