EasyManua.ls Logo

Learjet 20 Series - Page 279

Default Icon
373 pages
Print Icon
To Next Page IconTo Next Page
To Next Page IconTo Next Page
To Previous Page IconTo Previous Page
To Previous Page IconTo Previous Page
Loading...
14-12
FOR TRAINING PURPOSES ONLY
LEARJET 20 SERIES PILOT TRAINING MANUAL
FlightSafety
international
PILOT
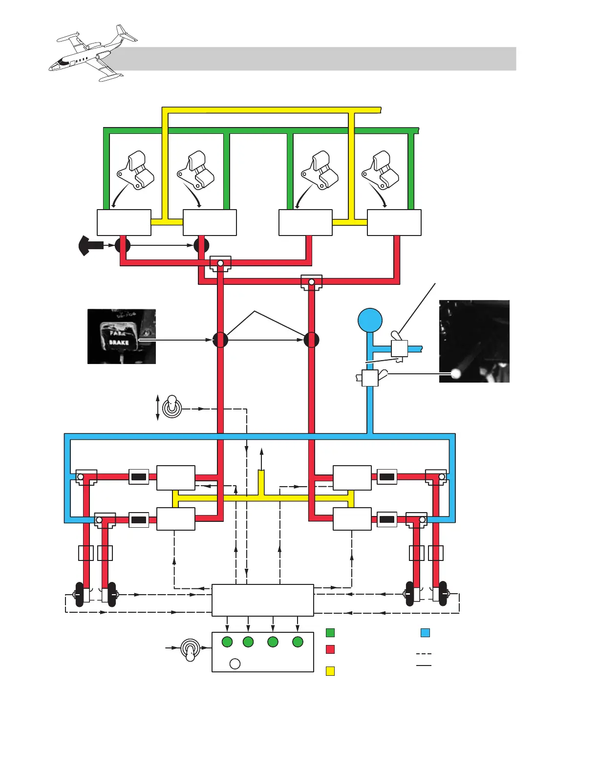
BRAKE VALVE
PILOT
BRAKE VALVE
COPILOT
BRAKE VALVE
COPILOT
BRAKE VALVE
TO RESERVOIR
FROM NOSE GEAR
DOWN LINE
PARKING BRAKE
VALVES
PARKING BRAKE
VALVE
ANTI
SKID
ON
OFF
OVERBOARD
EMERG
BRAKING
VALVE
GEAR
EMERGENCY
EXTENSION
CONTROL VALVE
ANTISKID
VALVE
ANTISKID
VALVE
ANTISKID
VALVE
26 VAC
BRAKE
FUSE
BRAKE
FUSE
ANTISKID
PRINTED CIRCUIT
BOARD
ANTI-SKID GEN
TEST
ANTISKID TEST
* 23-003 THROUGH 23-049
** 23-099 AND PRIOR; 24-310 AND PRIOR
ANTI-SKID GEN LIGHTS,
24-112 AND SUBSEQUENT
LEGEND
SYSTEM PRESSURE
METERED BRAKE
PRESSURE
RETURN
EMERGENCY BRAKE
AIR PRESSURE
ELECTRICAL
MECHANICAL
*
**
ANTISKID
VALVE
Figure 14-12. Brake System Schematic (Model 23 and 24 Airplanes)

Table of Contents

Related product manuals